Advantech Wzzard™ Mesh Wireless Sensors
Advantech Wzzard™ Mesh Wireless Sensors are industrial power monitor nodes that feature ultra-low-power 802.15.4e SmartMesh® IP technology. These sensors can connect to the Internet via wired connections or cellular data networks and communicate using the MQTT IoT protocol and JSON data formats. The mesh sensors provide various sensor interface options, including general-purpose analog input, digital input/output, and thermocouple. These wireless sensors comprise a rugged, IP67-rated, and fiber-reinforced polyester PBT enclosure. The mesh sensors operate at -40°C to +80°C temperature range. Advantech Wzzard Mesh Wireless Sensors include 2 AI, 1 DO, internal temperature, and 2-second power out for sending vibration and temperature to an IoT network.Features
- Ultra-low-power 802.15.4e SmartMesh IP technology
- Communicates with SmartSwarm-342 gateway via highly scalable and reliable wireless mesh networks
- Connects to industry-standard analog or digital sensors
- Rugged, IP67-rated, and fiber-reinforced polyester PBT enclosure
- MQTT and JSON IoT protocol to the application platform
- Sensor interface cable and antenna included
- Wireless Security
- Device authentication
- 28-bit, AES-based Encryption with multiple keys
- Message Integrity Check (MIC)
- Synchronized key changeovers
- Customized key rotation
Specifications
- -40°C to +80°C operating temperature range
- -40°C to +85°C storage temperature range
- 0 to 95% non-condensing operating humidity
- 65µA pull-up current
- 59KΩ input load resistance
- 0VDC to 48VDC digital input voltage range
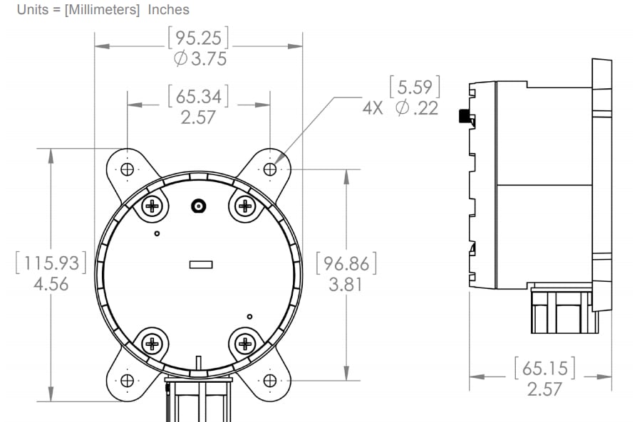
BB-WSD2M3101P2K Mechanical Drawing
Advantech IoT Academy
Fulfill Your One-Stop Learning for IoT Knowledge
Published: 2019-11-29
| Updated: 2023-04-10
