Allegro MicroSystems CT310 XtremeSense™ TMR Sensors

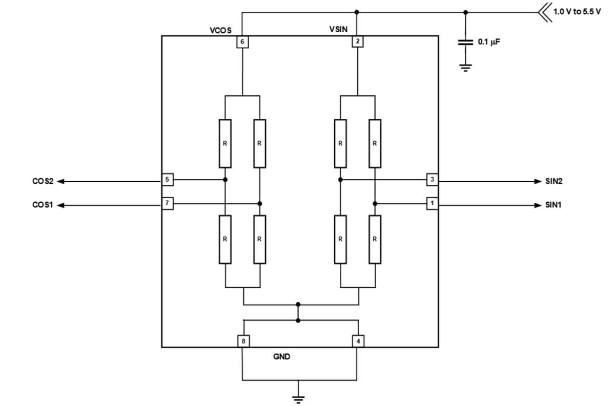
Allegro MicroSystems CT310 XtremeSense™ TMR Sensors are 2D angle sensors in a dual full-bridge configuration developed on patented XtremeSense™ 2D Tunnel Magnetoresistance (TMR) technology. The operational magnetic field range for this two-dimensional sensor spans from 250G to 900G. After a single instance of offset and gain compensation, the angle error remains below 0.60° across varying temperatures. The CT310 sensors are available in 8-lead TSSOP packages. For space-critical applications, these sensors are also available in a low-profile small form factor 8-lead DFN package that is 2mm × 2mm × 0.45mm in size. Typical applications include angular measurements, rotary and angular sensors, and BLDC motors.

Features

  • Angle error less than 0.60° (after one-time compensation) over a full temperature range
  • Dual full-bridge resistor network
  • 250G to 900G operating magnetic field 
  • Differential outputs for SIN and COS axes
  • 1.0V to 5.5V supply voltage
  • AEC-Q100 Grade 1
  • Package options:
    • 8-lead TSSOP
    • 8-lead DFN, 2mm × 2mm × 0.45mm dimensions

Applications

  • Angular measurements
  • Rotary and angular sensors
  • BLDC motors 

Recommended Application Circuit

Application Circuit Diagram - Allegro MicroSystems CT310 XtremeSense™ TMR Sensors
Published: 2024-07-19 | Updated: 2025-03-03