Analog Devices Inc. ADM3485E Low Power Data Transceivers
Analog Devices Inc. ADM3485E Low Power Data Transceivers provide ±15kV ESD protection and are suitable for half-duplex communication on multipoint bus transmission lines. The ADM3485E is designed for balanced data transmission and complies with TIA/EIA standards RS-485 and RS-422. The ADM3485E are half-duplex transceivers that share differential lines and has separate enable inputs for the driver and the receiver.The devices have a 12kΩ receiver input impedance, which allows up to 32 transceivers on a bus. Because only one driver should be enabled at any time, the output of a disabled or powered-down driver is tristated to avoid overloading the bus. The receivers have a fail-safe feature that ensures a logic high output when the inputs are floating. Excessive power dissipation caused by bus contention or by output shorting is prevented with a thermal shutdown circuit.
Features
- TIA/EIA RS-485/RS-422 compliant
- ±15kV ESD protection on RS-485 input/output pins
- 12Mbps data rate
- Half-duplex transceiver Up to 32 nodes on the bus Receiver open-circuit, fail-safe design Low power shutdown current
- Outputs high-Z when disabled or powered off Common-mode input range: −7V to +12V Thermal shutdown and short-circuit protection Industry-standard 75176 pinout
- 8-lead narrow SOIC package
Applications
- Power/energy metering
- Telecommunications
- EMI-sensitive systems Industrial control
- Local area networks
Videos
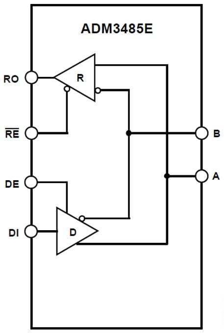
Block Diagram
Published: 2013-08-14
| Updated: 2022-03-11
