Analog Devices Inc. ADP5050 Integrated Power Solution

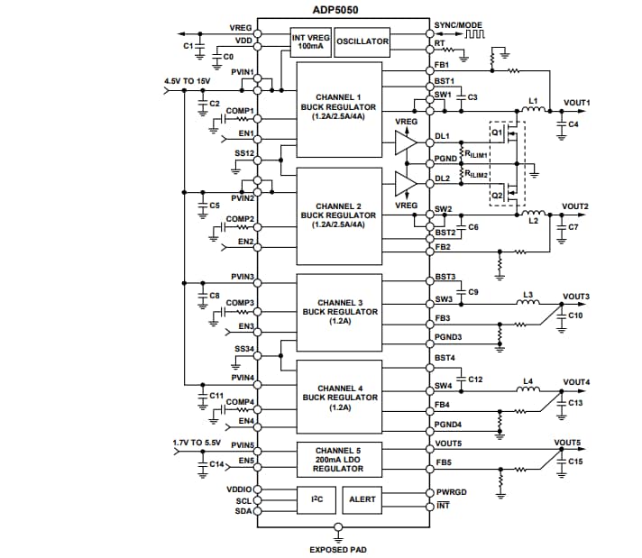
Analog Devices ADP5050 5-Channel Integrated Power Solution combines four high-performance buck regulators and one 200mA low dropout regulator in a 48-lead LFCSP package that meets demanding performance and board space requirements. This ADI device enables direct connection to high input voltages up to 15V with no preregulators. Channel 1 and Channel 2 integrate high-side power MOSFETs and low-side MOSFET drivers. Channel 3 and Channel 4 integrate both high-side and low-side MOSFETs to deliver output current of 1.2A.

The ADI ADP5050 integrates a general-purpose LDO regulator with low quiescent current and low dropout voltage that provides up to 200mA of output current. ADI ADP5050 is ideal for use in small cell base stations, FPGA and processor applications, security and surveillance, and medical applications.

Features

  • Wide input voltage range:
  • 4.5V to 15V
  • ±1.5% output accuracy over full temperature range
  • 250kHz to 1.4MHz adjustable switching frequency
  • Adjustable/fixed output options via factory fuse or I2C interface
  • I2C interface with interrupt on fault conditions
  • Power regulation
    • Channel 1 and Channel 2 are programmable 1.2A/2.5A/4A sync buck regulators with low-side FET driver
    • Channel 3 and Channel 4 are 1.2A sync buck regulators
    • Channel 5 is a 200mA low dropout (LDO) regulator
    • Single 8A output (Channel 1 and Channel 2 operated in parallel)

Applications

  • Small cell base stations
  • FPGA and processor applications
  • Security and surveillance
  • Medical applications

Typical App Circuit

Application Circuit Diagram - Analog Devices Inc. ADP5050 Integrated Power Solution
Published: 2013-07-01 | Updated: 2022-03-11