Analog Devices Inc. ADuM3190/4190 Isolated Error Amplifier
Analog Devices Inc. ADuM3190/4190 High Stability Isolated Error Amplifier is based on ADI iCoupler® technology and is ideal for linear feedback power supplies with primary side controllers. This technology enables improvements in transient response, power density, and stability as compared to commonly used optocoupler and shunt regulator solutions. Unlike optocoupler-based solutions, which have an uncertain current-transfer-ratio over lifetime and at high temperatures, ADuM3190/4190's transfer function does not change over lifetime and is stable over a wide temperature range of -40°C to 125°C.The ADI ADuM3190/4190 includes a wide band operational amplifier that can be used to set up a variety of commonly used power supply loop compensation techniques. ADuM3190/4190 is fast enough to allow a feedback loop to react to fast transient conditions and over current conditions. The device also includes a high accuracy 1.225V reference to compare with the supply output set point.
Features
- Stable over time and temperature
- 0.5% initial accuracy
- 1% accuracy over the full temperature range
- Compatible with Type II or Type III compensation networks
- 1.225V Reference voltage
- Compatible with DOSA
- <7mA Total low power operation
- Wide voltage supply range
- VDD1 is 3V to 20V
- VDD2 is 3V to 20V
- 400kHz Bandwidth
- 2.5kVrms Isolation voltage
Applications
- Linear power supplies
- Inverters
- Uninterruptible Power Supply
- DOSA-compatible modules
- Voltage monitors
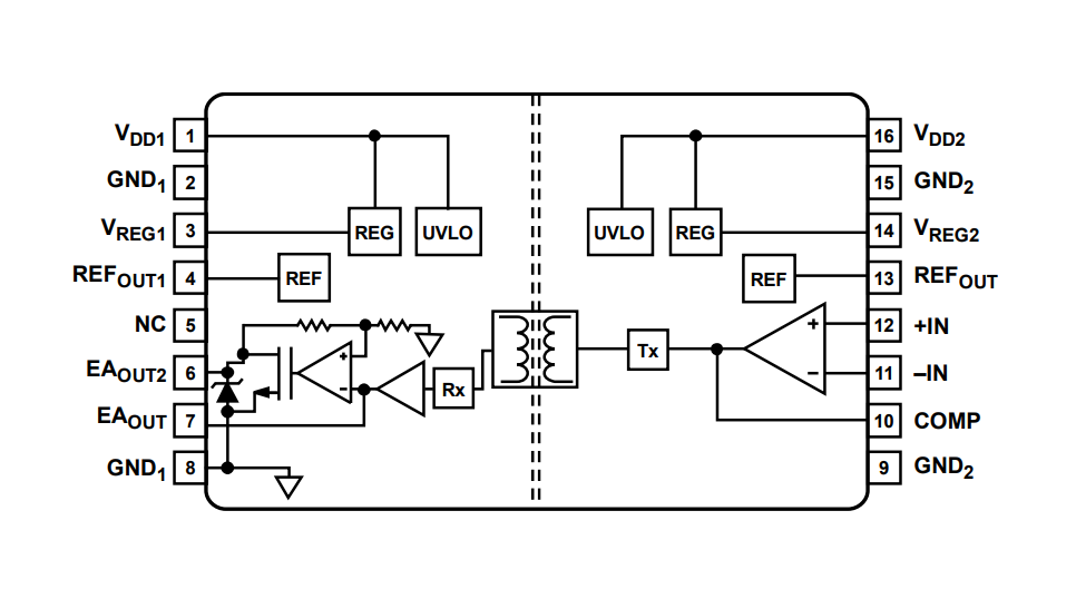
Block Diagram
Additional Resources
Using the ADuM4136 Isolated Gate Driver and LT3999 DC-to-DC Converter to Drive a 1200V SiC Power Module
Learn More
Published: 2013-05-30
| Updated: 2022-03-11
