Analog Devices Inc. EVAL-AD74413R-DIOZ Evaluation Board

Analog Devices EVAL-AD74413R-DIOZ Evaluation Board demonstrates and evaluates the full software-configurable input and output (SWIO) features that the AD74413R and the MAX14906 provide when working together. The EVAL-AD74413R-DIOZ board provides digital input, digital output, analog input, and analog output functionality.

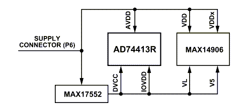
The ADI EVAL-AD74413R-DIOZ is controlled with a USB2PMB2 adapter board through the USB port of a PC using the AD74413R-DIOZ demo software. The EVAL-AD74413R-DIOZ needs an analog power (AVDD) operating supply of 14V to 28.8V. The USB2PMB2 board is delivered from the PC.

Features

  • Quad-channel, software configurable input and output functionality for the AD74413R and the MAX14906
  • Single, 24V external supply
  • Windows GUI for control
  • Onboard MAX14483, 6-channel, low power, 3.75kVRMS SPI digital isolator
  • Onboard MAX17552, 60V, 100mA, ultra-small, high-efficiency, synchronous step-down DC-to-DC converter

Required Equipment

  • USB2PMB2 adapter board
  • Benchtop power supply and connector cables
  • PC Running Windows 10 or later

Simplified Power Diagram

Application Circuit Diagram - Analog Devices Inc. EVAL-AD74413R-DIOZ Evaluation Board

Layout

Analog Devices Inc. EVAL-AD74413R-DIOZ Evaluation Board
Published: 2023-10-10 | Updated: 2025-03-25