Analog Devices Inc. EVAL-LTC3313EV-A-Z Evaluation Board
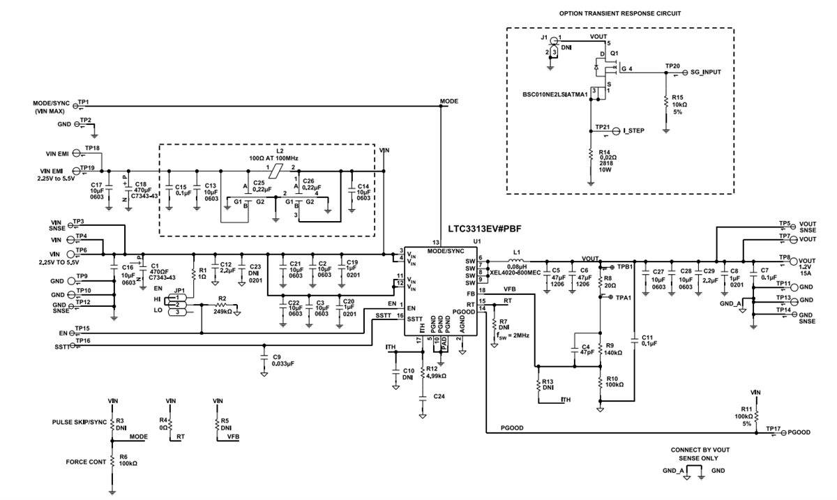
Analog Devices Inc. EVAL-LTC3313EV-A-Z Evaluation Board is designed to operate in forced continuous mode with a switching frequency of 2MHz. This eval board features the LTC3313 synchronous step-down Silent Switcher® that functions as a 1.2V, 15A output buck regulator. The EVAL-LTC3313EV-A-Z board can also run at different switching frequencies or pulse-skipping mode. The LTC3313 oscillator can also synchronize to an external clock using a MODE/SYNC turret with the EVAL-LTC3313EV-A-Z default setup. This eval board reduces the conducted EMI via the EMI filter that can be included by applying the input voltage at the VIN EMI terminal.The LTC3313 is a monolithic, constant frequency, current mode step-down DC-DC converter. This DC-DC converter supports an output voltage (VOUT) from 0.5V to the input voltage (VIN) with operating frequencies from 500kHz up to 5MHz. The Silent Switcher technology on the DC-DC converter optimizes fast-current loops and makes minimizing EMI and EMC emissions easier.
Features
- Transient circuit included for load transient evaluation
- EMI filter included to reduce noise in EMI emission tests
- MODE pin pull-up option for pulse-skipping mode evaluation
Specifications
- 2.25V to 5.5V input voltage range
- 1.176V to 1.224V output voltage range
- 15A output current
- 1.8MHz to 2.2MHz switching frequency range
- 92.5% efficiency
Schematic Diagram
Additional Resource
Published: 2023-03-05
| Updated: 2023-03-07
