Analog Devices Inc. LT5401 Matched Resistor Network

Analog Devices LT5401 Matched Resistor Network is optimized for use with fully differential or difference amplifiers. The Matched Resistor Network offers excellent matching specifications over the entire temperature range. Analog Devices LT5401 contains two strings of matched resistors, each providing three tap points. The resulting matched ratios are well suited for precisely setting a differential amplifier’s gain or attenuation.

The LT5401 Matched Resistor Network can be used to configure differential or difference gain by matching ratio, ensuring high CMRR, low gain errors, and low gain drift to levels far too difficult to achieve with discrete passive components. This high level of precision reduces calibration requirements in many applications and offers 10 times higher performance than a ±0.01% discrete solution.

The LT5401 is available in a compact 10-lead MSOP package with an exposed paddle. This is for improved thermal performance over a temperature range of –55°C to 150°C.

Features

  • Optimized for use with fully differential and difference amplifiers
  • Excellent matching
    • ±0.003% resistor ratio matching (max)
    • 96.5dB CMRR (min)
    • ±25ppm gain error (max)
    • ±0.5ppm/°C Matching temperature drift (max)
  • 8ppm/°C absolute resistor value temperature drift
  • 35V operating voltage (±36V Abs max)
  • <8ppm at 6500 hours long-term stability
  • ESD Protected inputs
  • –55°C to +150°C operating temperature range
  • 10-lead MSOP package

Applications

  • Fully differential amplifiers
  • Difference amplifiers
  • Reference dividers
  • Precision summing/subtracting

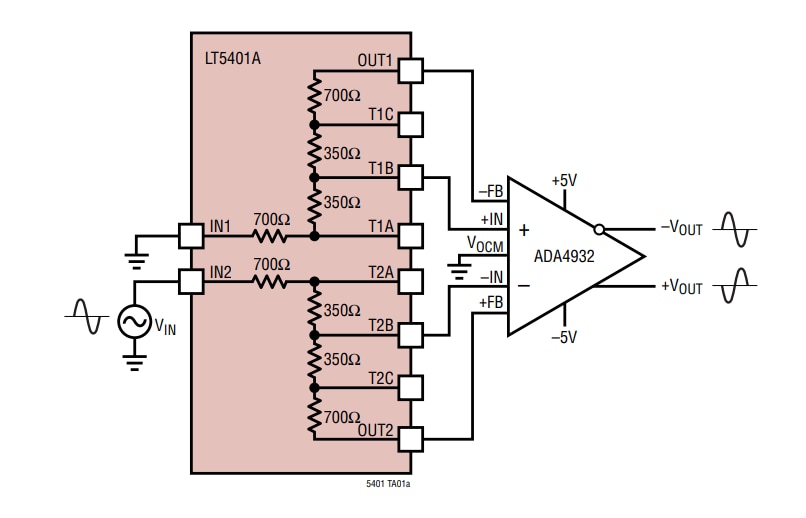
Typical Application

Application Circuit Diagram - Analog Devices Inc. LT5401 Matched Resistor Network
Published: 2019-12-02 | Updated: 2024-02-28