Analog Devices Inc. LT8292 4-Switch Synchronous Buck-Boost Controllers

Analog Devices Inc. LT8292 4-Switch Synchronous Buck-Boost Controllers regulate output or input current from an input voltage below, above, or equal to the output voltage. These controllers include a proprietary buck-boost peak current mode architecture that allows adjustable and phase-lockable 100kHz to 650kHz fixed frequency operation. The peak current mode architecture also allows internal spread spectrum operation for low Electromagnetic Interference (EMI). The LT8292 controllers feature split pull-up/pull-down gate drivers, leaderless current sharing, and four selectable dead time settings with shoot-through protection. These controllers are automotive qualified and are used in telecom systems, high-power battery-powered systems, and general-purpose buck-boost power supplies.

Features

  • 4-switch single inductor architecture allows VIN above, below, or equal to VOUT
  • Proprietary buck-boost peak current mode
  • 30µA IQ low ripple burst mode
  • 1V≤VOUT≤60V ±2% output voltage accuracy
  • 100kHz to 650kHz adjustable and phase-lockable
  • Forced continuous mode or pulse-skipping operation
  • ±5% input or output average current accuracy
  • Split gate driver outputs
  • Selectable dead time settings
  • Leaderless current sharing
  • Spread spectrum frequency modulation
  • Integrated bootstrap diodes
  • VOUT disconnected from VIN during shutdown
  • 38-Lead Thin Shrink Small Outline Package (TSSOP) with exposed pad
  • Automotive qualified

Applications

  • Automotive, industrial, and telecom systems
  • General-purpose buck-boost power supplies
  • High-power battery-powered systems

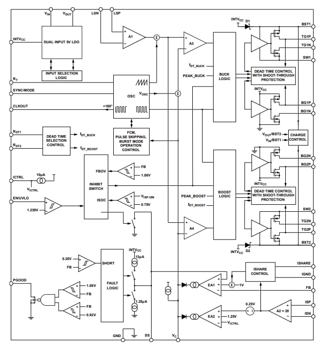
Block Diagram

Block Diagram - Analog Devices Inc. LT8292 4-Switch Synchronous Buck-Boost Controllers

Typical Application Circuit Diagram

Application Circuit Diagram - Analog Devices Inc. LT8292 4-Switch Synchronous Buck-Boost Controllers
Published: 2025-01-28 | Updated: 2025-03-12