Analog Devices Inc. LTC2873 RS485/RS232 Multiprotocol Transceivers
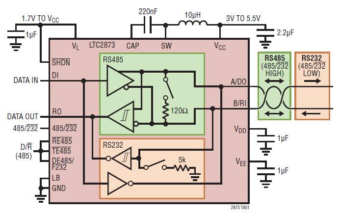
Analog Devices Inc. LTC2873 RS485/RS232 Multiprotocol Transceivers are robust pin-configurable multiprotocol transceivers that support RS232, RS485, and RS422 protocols. The LTC2873 operates on single 3V to 5.5V supplies. The Analog Devices transceivers can be configured as a half-duplex RS485 transceiver or as an RS232 transceiver using the same two bus pins.Features
- One RS485 or one RS232 transceiver
- 3V to 5.5V supply voltage
- Up to 20Mbps RS485
- Slew-Controlled RS232 Operation
- Selectable 1Mbps or 250kbps
- Automatic selection of integrated RS485 (120Ω) and RS232 (5kΩ) termination resistors
- ±26kV HBM ESD rating
- Logic loopback mode
- RS485 receiver failsafe eliminates UART lockup
- 1.7V to 5.5V logic interface
- Supports up to 256 RS485 nodes
- H-Grade available (–40°C to +125°C)
- Available in 24-pin 4mm × 5mm QFN package
Applications
- Software selectable RS232/RS485/RS422 interface
- Industrial sensors and actuators
- Alarm systems
- Traffic control and monitoring
- Highway signs and jumbo displays
Typical Application
Published: 2017-04-25
| Updated: 2022-03-11
