Analog Devices Inc. LTC2975 4-Channel PMBus™ Power System Managers

Analog Devices Inc. LTC2975 4-Channel PMBus™ Power System Managers (PSMs) are designed to sequence, trim (servo), margin, supervise, manage faults, provide telemetry, and create fault logs. These digital PSMs with a PMBus-compliant command set supports power supply sequencing, precision point-of-load voltage adjustment, and margining. The programmable fault responses can disable the power supplies with an optional retry after a fault is detected. The faults that disable the power supplies can automatically trigger black box EEPROM storage of fault status and associated telemetry. The LTC2975 PSMs feature an internal 16-bit Analog-to-Digital Converter (ADC) that monitors four output voltages, four output currents, four external temperatures, input voltage, input current, and die-temperature. Typical applications include computers, network servers, industrial test/measurement, video/medical imaging, and high-reliability systems.

Features

  • Sequence, trim, margin, and supervise 4x power supplies
  • Manage faults, monitor telemetry, and create fault logs
  • Coordinate sequencing and fault management across multiple LTC PSM devices
  • PMBus-compliant command set
  • Supported by LTpowerPlay® GUI
  • Automatic fault logging to internal EEPROM
  • Operate autonomously without additional software
  • Margin or trim supplies to within 0.25% of the target
  • Monitor input current (±1%) and accumulate energy
  • Fast OV/UV and OC supervisors per channel
  • External temperature and input voltage supervisors
  • Accurate monitoring of 4x output voltages, 4x output currents, 4x external temperatures, input voltage, input current, and internal die temperature
  • I2C/SMBus serial interface
  • Can be powered from 3.3V or 4.5V to 15V
  • Pin-compatible with the LTC2974
  • Available in 64-lead 9mm × 9mm QFN package

Applications

  • Computers and network servers
  • Industrial test and measurement
  • Video and medical imaging
  • High-reliability systems

Typical Application Circuit

Application Circuit Diagram - Analog Devices Inc. LTC2975 4-Channel PMBus™ Power System Managers

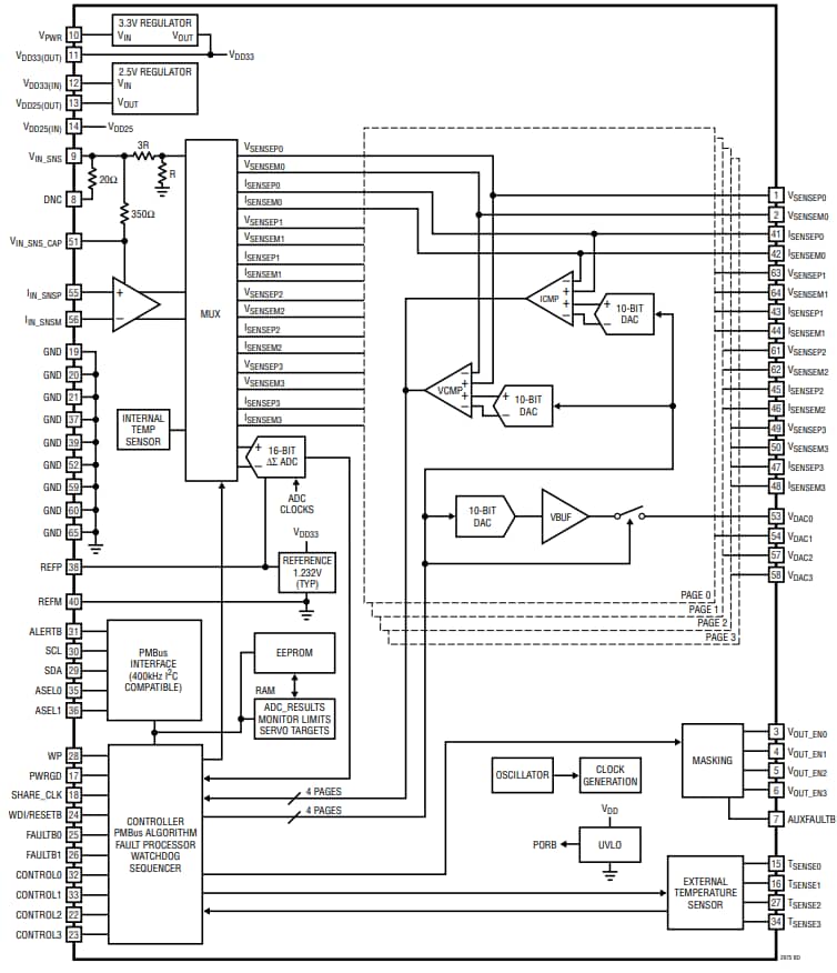
Block Diagram

Block Diagram - Analog Devices Inc. LTC2975 4-Channel PMBus™ Power System Managers

Additional Resources

FPGA Power System Management

FPGAs are spreading to all kinds of electronic systems, even taking over the job of ASICs, but they come surrounded by a complicated power system. Analog Devices has a wide range of DPSM products to help manage this complexity.

Learn More

 

Current Sensing with PMBus Digital Power System Managers - Part 1

Learn More

Published: 2020-02-25 | Updated: 2025-03-25