Analog Devices / Maxim Integrated MAX17673A PMIC

Analog Devices MAX17673A Power Management IC (PMIC) integrates a 60V high voltage, high-efficiency synchronous DC-DC buck regulator and two 5.5V high-efficiency synchronous DC-DC buck regulators. The three regulators provide integrated power MOSFETs. The high-voltage DC-DC buck regulator operates from a 4.5V to 60V input voltage range while supporting load currents up to 1.5A and regulating output voltages from 0.9V to 5.5V. The LV regulators operate from a 2.7V to 5.5V input voltage range while supporting load currents up to 1A and regulating output voltages from 0.75V to 4.8V.

The MAX17673A features independent peak current mode control, hiccup mode overcurrent protection, ENABLE input, and Power OK signal in the three regulators. The device has an adjustable switching frequency between 1MHz and 4MHz in the LV regulators, and the HV regulator can be programmed to run at a fractional switching frequency of the LV regulators. The HV regulator offers an adjustable soft-start function, while the LV regulators present an internally fixed soft-start. Users can choose to operate the device in either a pulse frequency modulation (PFM) or a forced pulse width modulation (PWM) scheme.

The Analog Devices MAX17673A Power Management IC (PMIC) operates over a -40°C to +125°C temperature range and is ideal for industrial control power supplies, base station power supplies, and high voltage single board systems.

Features

  • Reduces external components and total cost
    • Synchronous operation for high efficiency
    • Internal compensation for a wide output voltage range
    • All-ceramic capacitors, compact layout
  • Integrates three DC-DC regulators
    •  HV regulators
      • 4.5V to 60V input voltage range 
      • Adjustable 0.9V to 5.5V output
      • Up to 1.5A load current
      • 250KHz to 800KHz adjustable switching frequency
      • EN/UVLO for HV buck
    • LV regulators
      • 2.7V to 5.5V input range for 
      • 0.75V up to 4.8V output
      • 1A load current
      • EN for LV regulators
    • 1MHz to 4MHz adjustable switching frequency  
    • Programmable LV / HV switching frequency ratio (2, 3, 4, 5, 6, 7, 8)
  • Reduces power dissipation
    • 550μA in PFM and 10.2mA in PWM mode quiescent current
    • Peak efficiency >92%
    • Auxiliary bootstrap LDO for improved efficiency
    • PFM mode for high light-load efficiency
    • 7.4μA shutdown current
  • Operates reliably in adverse industrial environments
    • Peak-current limit protection
    • Hiccup mode overload protection
    • Soft-start reduces inrush current during startup (adjustable for HV regulator)
    • Built-in output-voltage monitoring with POKH, POKA, and POKB
    • Monotonic startup into prebiased load
    • Overtemperature protection
    • -40°C to +125°C operating temperature range

Applications

  • Industrial control power supplies
  • FPGA/CPLD power supplies
  • Distributed supply regulation
  • Base station power supplies
  • High voltage single board systems

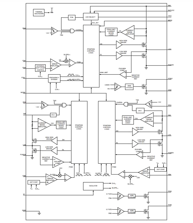
Block Diagram

Block Diagram - Analog Devices / Maxim Integrated MAX17673A PMIC
Published: 2019-02-08 | Updated: 2023-04-21