Analog Devices / Maxim Integrated MAX20336EVKIT Evaluation Kit

Analog Devices MAX20336EVKIT Evaluation Kit is used to demonstrate the MAX20336 beyond-the-rails DPST analog switch. This fully assembled and tested circuit board comes with the MAX20336ENT+ installed. The kit can power the VCCEN pin of the IC from different sources. The IC can be powered externally from TP12 on the MAX20336 kit.

Features

  • USB power option
  • SMA connection for testing
  • Proven PCB layout
  • Fully assembled and tested

Kit Contents

  • EV Kit Board containing a MAX20336 IC part

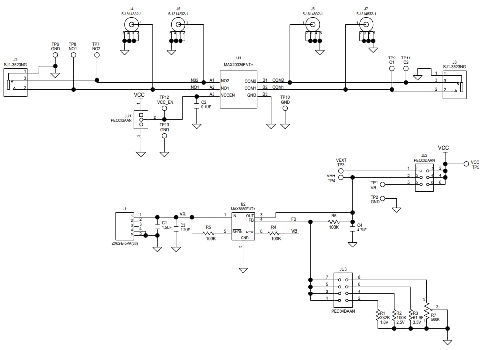
Schematic

Schematic - Analog Devices / Maxim Integrated MAX20336EVKIT Evaluation Kit
Published: 2019-04-25 | Updated: 2023-04-19