Analog Devices Inc. MAX22007EVKIT Evaluation Kit
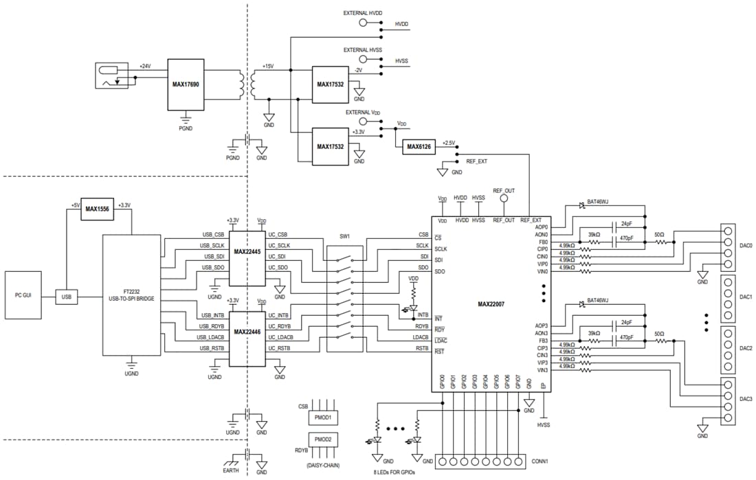
Analog Devices MAX22007EVKIT Evaluation Kit provides the hardware and software necessary to evaluate the MAX22007 Industrial Four-Channel Configurable Analog Output. The MAX22007EVKIT communicates with a graphical user interface (GUI) running on a PC through a USB port. The evaluation kit provides the onboard FT2232 USB-to-SPI bridge for SPI communication but also allows an external SPI master to communicate with the MAX22007 through the PMOD1 connector. The onboard DC-DC converters generate necessary supply voltages, +15V for HVDD, +3.3V for VDD, and -2V for HVSS to power the MAX22007. Multiple MAX22007EVKIT boards can be connected in daisy-chain mode using PMOD1 and PMOD2 connectors.Features
- Two accessible modes
- Analog output-voltage mode
- Analog output-current mode
- Supports load impedance detection
- Access to all GPIOs
- Windows® 10-compatible software
- Proven PCB layout
- Fully assembled and tested
Applications
- Building automation analog outputs
- Configurable analog output cards
- Factory automation analog outputs
- Process automation
- Programmable logic controllers
Required Equipment
- MAX22007EVKIT evaluation kit
- Micro-USB cable
- 24V, 1A DC power supply
- Windows 10 PC with a spare USB port
- Multimeter
Block Diagram
Additional Resources
Published: 2020-10-20
| Updated: 2024-07-15
