Analog Devices / Maxim Integrated MAX2659 GPS/GNSS Low-Noise Amplifier Chip

Analog Devices MAX2659 GPS/GNSS Low-Noise Amplifier is a high-gain, low-noise amplifier (LNA) that is designed for GPS, Galileo, and GLONASS applications. Designed in Maxim's advanced SiGe process, the device achieves a 20.5dB gain and an ultra-low-noise figure of 0.8dB. This is done while maximizing the input-referred 1dB compression point and the 3rd-order intercept point at -12dBm and -5dBm, respectively. The MAX2659 operates from a +1.6V to +3.3V single supply and consumes only 4.1mA. The shutdown feature in the device reduces the supply current to be less than 1µA. The Analog Devices MAX2659 GPS/GNSS Low-Noise Amplifier is available in a compact 1.5mm x 1.0mm μDFN package.

Features

  • Ultra-low 8dB noise figure
  • High-power 5dB gain
  • Wide 6V to 3.6V supply range
  • Integrated 50Ω output matching circuit
  • Power-shutdown control mode eliminates the need for an external supply switch
  • Low 4.1mA supply current
  • ±2500V ESD HBM (Human Body Model)
  • -40°C to +85°C operating temperature range
  • 1.5mm x 1.0mm x 0.75mm, 6-pin μDFN package
  • RoHS compliant

Applications

  • Automotive navigation
  • Avionics
  • Smartphones
  • Location-enabled mobile devices
  • Notebook PCs and tablets
  • Personal navigation devices (PND)
  • Recreational and marine navigation
  • Asset tracking and management

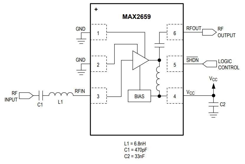
Block Diagram

Block Diagram - Analog Devices / Maxim Integrated MAX2659 GPS/GNSS Low-Noise Amplifier Chip
Published: 2016-05-03 | Updated: 2025-02-06