Apex Microtechnology EK71 Evaluation Kit

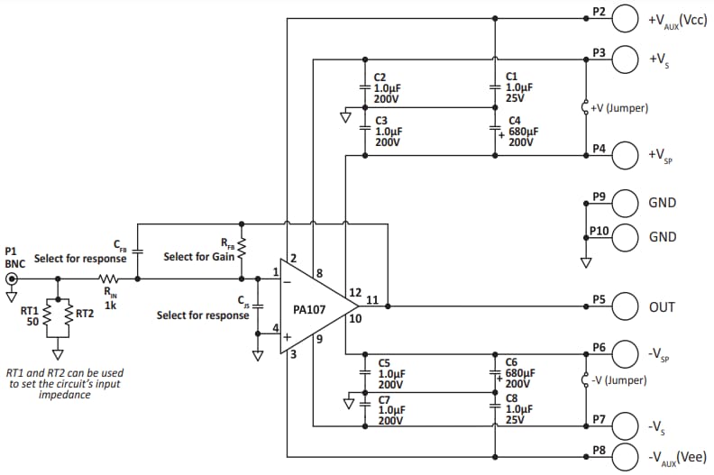
Apex Microtechnology EK71 Evaluation Kit provides a convenient way to breadboard and evaluate design ideas for the PA107 power operational amplifier. The board is pre-wired for all required external components. The Ek71 is laid out and labeled to easily configure the high voltage operational amplifier in an inverting configuration. The board can analyze a multitude of standard or proprietary circuit configurations.

Features

  • Evaluate design ideas for the PA107 power operational amplifier
  • Pre-wired for all required external components
  • Laid out and labeled to easily configure the high voltage operational amplifier in an inverting configuration
  • Flexible enough to analyze a multitude of standard or proprietary circuit configurations
  • Components not usually readily available in engineering labs are provided
  • External connection to the evaluation kit can be made via the terminal connectors at the edge of the circuit board
  • Connectors are suitable for standard banana plugs

Schematic

Block Diagram - Apex Microtechnology EK71 Evaluation Kit
Published: 2022-08-05 | Updated: 2022-08-08