Apex Microtechnology SA60 Low Cost Complete H-Bridge PWM Amplifier

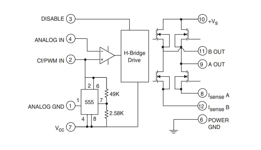
Apex Microtechnology SA60 Low-Cost Complete H-Bridge PWM Amplifier can supply 10A of continuous current to a load. The Apex Microtechnology SA60 is a full-bridge amplifier operated over various supply voltages. All the drive/control circuitry for the low- and high-side switches are internal to the hybrid. The PWM circuitry is internal and only needs an analog signal for the motor speed/direction or an audio signal for switch mode audio amplification. The internal PWM frequency can be programmed by an external integrator capacitor. An external TTL-compatible PWM signal for simultaneous amplitude and direction control for four-quadrant mode can be provided.

Features

  • Low-cost complete H-bridge
  • Self-contained smart low-side/high-side drive circuitry
  • Wide supply range up to 80V
  • 10A continuous output
  • Isolated case allows direct heatsinking
  • Four-quadrant operation, torque control capability
  • Internal/programmable PWM frequency generation

Applications

  • Brush type motor control
  • Class D switch mode amplifier
  • Reactive loads
  • Magnetic coils (MRI)
  • Active magnetic bearing
  • Vibration cancelling

Videos

Overview

Block Diagram - Apex Microtechnology SA60 Low Cost Complete H-Bridge PWM Amplifier
Published: 2020-08-21 | Updated: 2024-04-05