Bourns HCTSM150102HLF Power Transformer

Bourns HCTSM150102HLF Power Transformer is a high-clearance transformer designed for high-voltage isolation in compact power systems. This power transformer features 1500VDC working voltage, 7640VDC Hi-Pot rating, 15mm clearance and creepage, and Class F insulation rated up to 150°C. The HCTSM150102HLF transformer complies with IEC 60664-1 and IEC/UL 62368-1 standards, supporting overvoltage category II and pollution degree 2. These features make the transformer ideal for isolated interface power in CAN, RS-485, RS-422, RS-232, SPI, I2C, and low-power LANs. The HCTSM150102HLF transformers are ideal for Industry 4.0 and systems requiring isolation from hazardous voltages, such as high-voltage battery packs in 1500V energy storage systems.

Features

  • 1500VDC working voltage
  • 7640VDC for 2s, 1mA maximum leakage Hi-Pot test
  • 15mm clearance distance
  • 15mm creepage distance
  • Up to 150°C reinforced Class F insulation
  • Overvoltage category II, pollution degree 2, and up to 4km above sea level
  • IEC 60664-1 and IEC/UL 62368-1 compliant
  • RoHS compliant

Applications

  • High and low-side gate drive circuits
  • Isolation for CAN, RS-485, RS-422, RS-232, SPI, I2C, and low-power LANs
  • Isolated DC-DC converters
  • Battery Management Systems (BMS) and energy storage solutions
  • Automotive and industrial isolation applications

Specifications

  • 80µH minimum primary inductance at 100kHz, 1V, and 0A
  • 4.0µH maximum leakage inductance at 100kHz and 0.1V (pin 1–3)
  • DCR (DC Resistance):
    • 0.3Ω maximum (pin 1–3)
    • 0.7Ω maximum (pin 6–4)
  • 1:2±3% turns ratio and polarity (pins 1–3 to 6–4)
  • 1500VDC maximum working voltage
  • -40°C to 150°C operating temperature range (including temperature rise)
  • -25°C to 85°C storage temperature range
  • Level 1 Moisture Sensitivity Level (MSL)
  • ESD Classification (HBM): N/A

Electrical Schematic

Schematic - Bourns HCTSM150102HLF Power Transformer

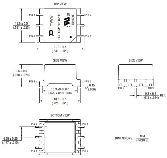
Dimensions

Mechanical Drawing - Bourns HCTSM150102HLF Power Transformer
Published: 2025-10-23 | Updated: 2025-10-28