Bourns PER23 Long-Life Incremental Ring Encoder

Bourns PER23 Long-Life Incremental Ring Encoder features a 23mm package diameter with 10mA at 5VDC contact rating and 2-bit quadrature code output. The PER23 offers haptic detent feedback, a through-hole mounting style, and a high-class rotational feel. Bourns PER23 Long-Life Incremental Ring Encoder has an operating temperature range of -10°C to +60°C. Typical applications include professional audio equipment, low- to medium-risk risk medical and diagnostic equipment, consumer white goods, and industrial automation controls.

Features

  • Low-profile incremental encoder
  • High-class rotational feel
  • Through-hole mounting style
  • Haptic detent feedback
  • RoHS compliant

Applications

  • Professional audio equipment
  • Professional lighting consoles
  • Consumer white goods
  • Low- to medium-risk medical and diagnostic equipment
  • Test and measurement equipment
  • Communications equipment
  • Laboratory equipment
  • Industrial automation controls

Specifications

  • 50,000 rotational cycle rating
  • 60RPM maximum rotational speed
  • 10mA at 5VDC contact rating
  • 2-bit quadrature code output
  • -10°C to +60°C operating temperature range
  • -40°C to +85°C storage temperature range

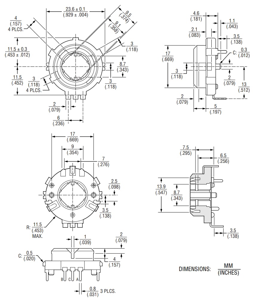
Mechanical Drawing

Mechanical Drawing - Bourns PER23 Long-Life Incremental Ring Encoder
Published: 2021-07-29 | Updated: 2022-03-11