Broadcom ACPL-K70A/K73A High-Speed Optocouplers
Broadcom ACPL-K70A/K73A High-Speed Optocouplers are high gain series couplers that use LED and an integrated high gain photodetector. This provides an extremely high current transfer ratio between input and output. These optocouplers come with separate pins for the photodiode and output stage that result in LVTTL-compatible saturation voltages and high-speed operation. The VCC and VO terminals tied together to achieve conventional photodarlington operation. These ACPL-K70A/K73A optocouplers feature low input current, high current gain, low power consumption, and base access allows gain bandwidth adjustment.The ACPL-K70A/K73A optocouplers are surface-mount devices that are packaged in an industry-standard stretched SOIC-8 footprint. This stretched SOIC-8 does not require through holes in a PCB. The ACPL-K70A/K73A high-speed optocouplers are ideal for use in LVTTL/LVCMOS or other low-power applications.
Features
- Low power consumption
- High current transfer ratio
- Stretched SO-8 package
- LVTTL/LVCMOS compatible output
- Base access allows gain bandwidth adjustment
Safety
- UL1577 recognized at 5000VRMS for 1 minute
- CSA approval
- IEC 60747-5-5 approval for reinforced insulation
Applications
- EIA RS-232C/low input current line receiver
- Low power systems (ground isolation)
- Line voltage status indicator
- Low input power dissipation
Specifications
- 3.3V to 18V supply voltage range VCC
- 0.04mA to 12mA forward input current range IF(ON)
- -40°C to +105°C operating temperature range
- 0.8V forward input voltage VF(OFF)
- 25mA output current IO(AVG)
Functional Block Diagram
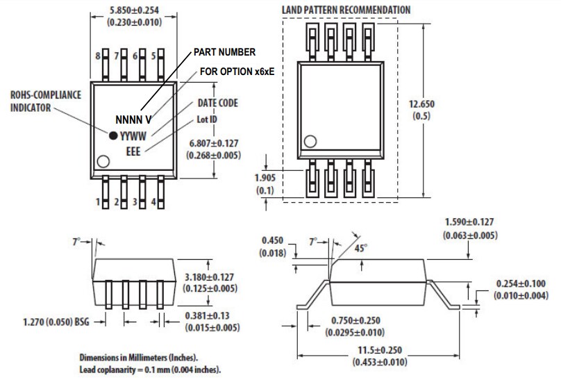
Package Outline Drawing
Published: 2020-04-23
| Updated: 2024-03-22
