CUI Inc P78B-2000 2A Non-Isolated DC-DC Converters

CUI Inc P78B-2000 2A Non-Isolated DC-DC Converters are designed as a high-performance alternative to linear regulators. The CUI P78B-2000 compact DC-DC converter series is housed in a compact SIP package and pin-compatible with LM78xx model regulators. These low-ripple and low-noise devices do not require a heat sink, making the series ideal for applications where board space is at a premium and energy efficiency is a concern.

Features

  • 2A current output
  • Pin-compatible with LM78xx linear regulators
  • -40°C to +85°C operating temperature
  • 4.75VDC to 36VDC input voltage range
  • Continuous short-circuit protection
  • Compact SIP3 package
  • Low ripple and noise
  • Designed to meet EN/IEC 62368-1 standards

Applications

  • Space-constrained, energy-efficient designs
  • Industrial
  • Telecom
  • Portable electronics

Specifications

  • Input voltage
    • 24VDC typical
    • 4.75VDC to 36VDC range
  • 1.8VDC to 15VDC output voltage range
  • 2000A maximum output current
  • 5W to 30W maximum output power
  • 50MVp-p to 75mVp-p maximum ripple noise
  • Up to 96% typical efficiency

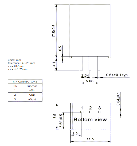
Mechanical Drawing

Mechanical Drawing - CUI Inc P78B-2000 2A Non-Isolated DC-DC Converters

EMC Recommended Circuit

Application Circuit Diagram - CUI Inc P78B-2000 2A Non-Isolated DC-DC Converters
Published: 2025-04-17 | Updated: 2025-04-23