Diodes Incorporated ZXCT21x 26V High-Precision Current Monitors
Diodes Incorporated ZXCT21x 26V High-Precision Current Monitors feature different gain options to measure low-voltage drops (10mV) across a small shunt resistor with minimal error. The devices allow a high accuracy of large current measurement and reduce power loss caused by the measurement at -0.3V to 26V common-mode voltages.The Diodes ZXCT21x current monitors have six fixed gains of 50V/V, 75V/V, 100V/V, 200V/V, 500V/V, and 1000V/V. The current monitors employ a zero-drift architecture and are manufactured by post-trim technology. The devices achieve low offset voltage, gain drift, and gain error for precise measurement among the full temperature range.
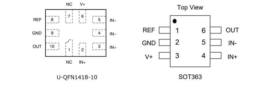
The ZXCT21x operates from a single 2.7V to 26V power supply with a maximum of 100μA supply current. The ZXCT21x has an operating temperature of -40°C to +125°C and is presented in a SOT363 or U-QFN1418-10 package.
Features
- 2.7V to 26V supply voltage range
- -40°C to +125°C temperature range
- Wide -0.3V to 26V common-mode range
- Support shunt drops of 10mV full-scale
- Gain error (maximum overtemperature)
- ±0.8% A and B version
- ±0.5% C version
- Low ±30μV maximum offset voltage
- 100μA maximum quiescent current
- Low 10ppm/°C maximum gain error drift
- Rail-to-rail output capacity
- Choice of gains:
- 200V/V for ZXCT210
- 500V/V for ZXCT211
- 1000V/V for ZXCT212
- 50V/V for ZXCT213
- 100V/V for ZXCT214
- 75V/V for ZXCT215
- 6-pin SOT363 and 10-pin U-QFN1418-10 package options
- Totally lead-free and fully RoHS compliant
- Halogen and antimony-free “Green” device
Applications
- Notebook computers
- Server farms
- Telecoms
- Current sensing (high-side/low-side)
- Battery charging and discharging
- High-performance video cards
- Industrial power supplies
- Instrumentation
- Control systems
- Metering
Typical Applications Circuit
Pin Assignments
Published: 2023-06-23
| Updated: 2023-07-11
