Diodes Incorporated PAM8320 Mono Class D Audio Amplifier

Diodes Inc. PAM8320 is an efficient 20W mono Class-D audio power amplifier, designed to drive speakers as low as 4Ω in a bridge-tied load configuration. Due to the low power dissipation and high efficiency of up to 95%, the device can be used without any external heat sink while playing music. The PAM8320 features short circuit protection, thermal shutdown, over-voltage protection, and under-voltage lock-out. The PAM8320 is available in a SO-16EP package.

Features

  • Operates from 4.5V to 15V
  • 20W into 4Ω BTL Load from 12V Supply
  • Single-Ended Analog Input
  • No Pop Noise for Start-up and Shut-down Sequences
  • Internal Oscillator (No External Components Required)
  • Thermal and Short-Circuit Protection with Auto Recovery
  • Over Voltage Protection and Under Voltage Lock-out
  • High Efficient Class-D Operation Eliminates Need for Heat Sinks
  • Space-Saving Surface-Mount SO-16EP Package
  • Pb-Free Package

Applications

  • PC Speaker
  • Blue Tooth Speaker
  • Home Sound Systems
  • Active Speakers
  • Docking stations

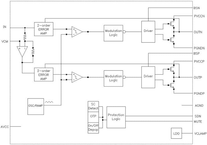
Functional Block Diagram

Diodes Incorporated PAM8320 Mono Class D Audio Amplifier
Published: 2014-05-30 | Updated: 2022-03-11