Diodes Incorporated PI4IOE5V9554 8-bit IO Expander
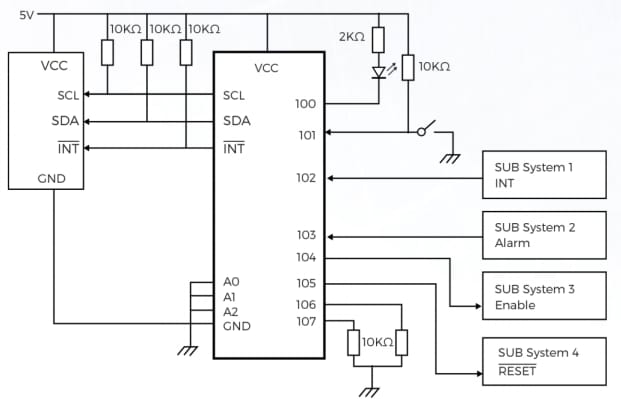
Diodes Incorporated PI4IOE5V9554 8-bit IO Expander is a 16-pin CMOS device that provides 8-bit of general-purpose parallel Input/Output (GPIO) expansion. This expander incorporates an 8-bit configuration register (input or output selection) and an 8-bit input port register. The PI4IOE5V9554 expander also includes an 8-bit output port register and an 8-bit polarity inversion register (active HIGH or active LOW operation). This expander features high drive capability, 5V I/O tolerance, low supply current, individual I/O configuration, 400kHz clock frequency, and small packaging. The PI4IOE5V9554 expander offers a noise filter on SCL/SDA inputs, no glitch on power-up, and internal power-on reset. This expander provides a simple solution when additional I/O is needed for ACPI power switches, sensors, pushbuttons, LEDs, and fans.Features
- 8-bit I2C-Bus GPIO with interrupt and reset
- 5V tolerant I/Os
- Polarity inversion register
- Active LOW interrupts the current
- Low current consumption
- 0Hz to 400KHz frequency range
- Noise filter on SCL/SDA inputs
- Power-on reset
- ESD protection (4KV HBM and 1KV CDM)
- Packages
- SOIC-16
- TSSOP-16
- TQFN 3 x 3 - 16
- TQFN 4 x 4 - 16
Applications
- Server
- Networking
- Telecom
- Laptop
- TV
Block Diagram
Typical Application Circuit Diagram
Additional Resource
Published: 2020-05-15
| Updated: 2024-07-31
