Diotec Semiconductor DBI25 3-Phase Diode Bridge Rectifiers

Diotec Semiconductor DBI25 3-Phase Diode Bridge Rectifiers feature six diodes in bridge configuration and a single screw assembly in an isolated case. The DBI25 offers an 800V, 1200V, 1600V, or 1800V repetitive peak reverse voltage. The Diotec DBI25 rectifiers are ideal for HVAC devices, power supplies, drive inverters, battery chargers, and commercial applications. The devices provide a junction temperature of -50°C to +175°C and are available in a DBI-A package.

Features

  • High-admissible repetitive reverse voltage
  • Single inline case for easy PCB assembly
  • Operation freestanding or on heatsink
  • Full isolated case outline
  • High forward surge current
  • Sufficient clearance and creepage

Applications

  • Industrial power supplies
  • Input stage of frequency inverters
  • EV chargers
  • Electric drives and generators

Specifications

  • Nominal 4A output freestanding at +50°C ambient (IFAV)
  • Nominal 25A output on heatsink at +115°C case temperature (IFAV)
  • 1800V peak reverse voltage (VRRM)
  • Forward voltage < 1.05V at 12.5A/+25°C (VF)
  • Reverse current < 5µA at 1800V/+25°C (IR)
  • 370A/390A forward surge current at 50Hz/60Hz single half sine wave (IFSM)
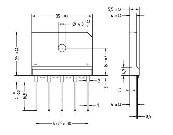
  • 35mm x 25mm x 4mm single inline case

Videos

Typical Application

Diotec Semiconductor DBI25 3-Phase Diode Bridge Rectifiers

Dimensions mm

Mechanical Drawing - Diotec Semiconductor DBI25 3-Phase Diode Bridge Rectifiers
Published: 2023-07-06 | Updated: 2023-07-20