e-peas AEM00920 Ultra-Efficient Energy PMIC

e-peas AEM00920 Ultra-Efficient Energy Power Management Integrated Circuit (PMIC) extracts DC power from a harvesting source to store energy in rechargeable battery and supply application circuit. The AEM00920 energy manager features an external 5V charging input for power supplies and CC/CV charging with a configurable current limit in CC mode (maximum 135mA). This device provides a fast charging alternative with no source available for a long time and a selectable output voltage of 2.2V, 2.5V, or 2.8V. The AEM00920 energy manager incorporates a unique cold-start circuit that allows it to operate with an input voltage as low as 275mV (minimum 5µW power). The AEM00920 energy manager is available in a QFN 24-pin package and is ideal for remote controls and wireless keyboards.

Features

  • Cold start from 275mV/5µW input to startup at ultra-low power from harvesting source input
  • Constant input voltage mode:
    • Optimized for constant voltage PV cells
    • Selectable input regulation voltage
    • Up to 110mA current extracted from the harvester
  • Selectable over-discharge and overcharge protection to support various types of rechargeable batteries (LiC, Li-ion, and LiPo)
  • Regulated output for application circuit:
    • Buck regulator with efficiency above 90%
    • Selectable output voltage (2.2V, 2.5V, or 2.8V)
    • Output current up to 135mA
  • System configuration by GPIO- All settings are dynamically configurable through the GPIO
  • External 5V charging capability:
    • Extra charging input for 5V power supplies
    • CC/CV charging with a configurable current limit in CC mode (maximum 135mA)
    • Provides a fast-charging alternative when no source is available for a long time

Applications

  • Remote controls
  • Wireless keyboards

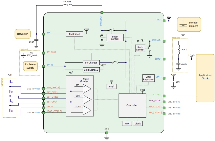
Functional Block Diagram

Block Diagram - e-peas AEM00920 Ultra-Efficient Energy PMIC

Application Circuit Diagram

Application Circuit Diagram - e-peas AEM00920 Ultra-Efficient Energy PMIC

Dimension Diagram

Mechanical Drawing - e-peas AEM00920 Ultra-Efficient Energy PMIC
Published: 2025-01-30 | Updated: 2025-02-25