ROHM Semiconductor RB-D62Q2703TB48 Reference Board

ROHM Semiconductor RB-D62Q2703TB48 Reference Board features the LAPIS ML62Q2703 CMOS 16-bit RISC MCU, offering a robust platform for low-power and high-efficiency applications. Designed with versatility, this reference board is ideal for home/building automation, industrial control systems, IoT devices, and portable electronics. The ML62Q2703 MCU combines low power consumption with integrated peripherals, including ADCs, timers, and communication interfaces, making it well-suited for battery-operated devices and compact designs.

With support for LCD control and a 16-bit RISC architecture that delivers efficient processing, the ROHM Semiconductor RB-D62Q2703TB48 Reference Board simplifies development for applications like smart home devices, medical instruments, and embedded systems. The board's flexible features and user-friendly design make it an excellent choice for prototyping and small-scale production in diverse application areas.

Features

  • Provided with the LAPIS ML62Q2703 CMOS 16-bit RISC MCU, 48-pin TQFP
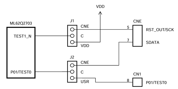
  • Mounted with the linked connector to EASE1000 V2
  • Through-holes for connecting the pins of LSI to external peripheral boards
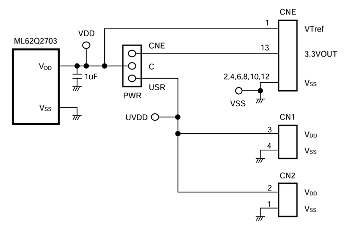
  • Selectable power supply, supplied from the on-chip emulator EASE1000 V2 or CN1_3pin/CN2_2pin
  • Mounted 32.768KHz crystal
  • Mounted LEDs (P20, P21, P22)
  • Foot pattern with components for Successive Approximation Type A/D Converter is available (P23, P24, P25, P26)
  • Low power consumption
  • Internal flash memory and RAM
  • Flexible I/O and communication interfaces
  • Real-time processing
  • 1.8V to 5.5V operating supply range
  • Compact form factor, 56mm x 94mm x 15mm (WxDxH) size

Applications

  • Home and building automation
  • Industrial automation
  • Consumer electronics
  • Healthcare and medical devices
  • Automotive electronics
  • Internet of Things (IoT)
  • Energy management systems
  • Embedded systems prototyping and education

Overview

Location Circuit - ROHM Semiconductor RB-D62Q2703TB48 Reference Board

Power Circuit

Location Circuit - ROHM Semiconductor RB-D62Q2703TB48 Reference Board

EASE1000 V2 Interface

Location Circuit - ROHM Semiconductor RB-D62Q2703TB48 Reference Board

PCB Layout

Mechanical Drawing - ROHM Semiconductor RB-D62Q2703TB48 Reference Board
Published: 2024-12-31 | Updated: 2025-01-07