Guerrilla RF GRF5507W High Linearity Power Amplifier

Guerrilla RF GRF5507W High Linearity Power Amplifier is a high-gain, two-stage InGaP HBT power amplifier. This GRF5507W is designed to deliver excellent P1dB, ACLR, and IM3 performance over the 700MHz to 800MHz frequency band. The high linearity power amplifier incorporates exceptional native linearity that makes it an ideal choice for transmitter applications without the need for digital pre-distortion correction schemes. This GRF5507W amplifier operates at a supply voltage of 5V and 195mA quiescent current. The GRF5507W power amplifier is AEC-Q100 Grade 2 qualified. Typical applications include cellular boosters/repeaters, automotive compensators, picocells/femtocells, cellular DAS, customer premise equipment, and wireless infrastructure. 

Features

  • Excellent OP1dB, OIP3, ACLR and IM3 performance
  • Native linearity provides up to 24.5dBm POUT with >45dBc ACLR without the need for digital pre-distortion correction
  • Flexible biasing provides latitude for linearity optimization
  • Rugged design is extremely resilient to mismatched loads
  • Digital shutdown
  • Compact 3mm x 3mm QFN-16 package
  • Tested to AEC-Q100 Grade 2 qualification

Specifications

  • 24dBm linear output power maintained at 105°C
  • 5V supply voltage
  • 195mA native mode quiescent current consumption
  • 50Ω single-ended input and output impedances
  • -40°C to 85°C operating temperature range
  • 5V / 195mA ICCQ / 750MHz reference:
    • 30.5dB gain
    • 47.3dBm OIP3 @23dBm POUT/tone
    • 33.4dBm OP1dB
    • 4.5dB noise figure

Applications

  • Cellular boosters/repeaters
  • Automotive compensators
  • Picocells/femtocells
  • Cellular DAS
  • Customer premise equipment
  • Wireless infrastructure

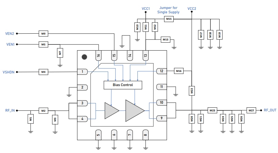
Schematic Diagram

Schematic - Guerrilla RF GRF5507W High Linearity Power Amplifier
Published: 2023-10-19 | Updated: 2023-11-06