Infineon Technologies 1ED020I12FA2 Single IGBT Driver IC
Infineon Technologies 1ED020I12FA2 Single IGBT Driver IC provides an output current capability of typically 2A. All logic pins are 5V CMOS compatible and can be directly connected to a microcontroller. The data transfer across galvanic isolation is realized by the integrated Coreless Transformer Technology. The 1ED020I12FA2 provides several protection features like IGBT desaturation protection, active Miller clamping, and active shut down.The Infineon Technologies 1ED020I12FA2 Single IGBT Driver IC is available in a PG-DSO-20 package with a -40°C to +125°C ambient operating temperature range.
Features
- HV isolation, 2400VAC, 50Hz, and 1s
- Creepage distance 6mm
- Clearance distance 5.5mm
- Single channel isolated IGBT Driver
- For 600V/1200V IGBTs
- 2A rail-to-rail output
- VCEsat-detection
- Active Miller Clamp
- Basic insulation according to DIN EN 60747-5-2
- Basic insulation recognized under UL 1577
- AEC Qualified for automotive use
Applications
- Drive inverters for HEV and EV
- Auxiliary inverters for HEV and EV
- High power DC-DC inverters
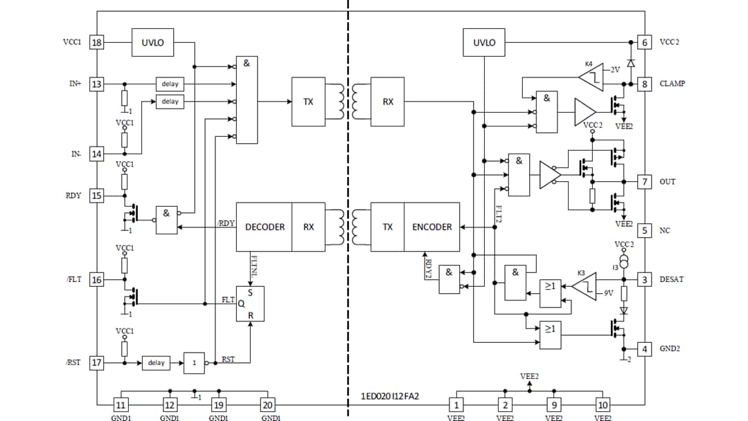
Block Diagram
Published: 2016-11-11
| Updated: 2022-03-11
