Infineon Technologies 2ED2410-EM MOSFET Gate Driver
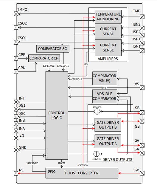
Infineon Technologies 2ED2410-EM MOSFET Gate Driver features two independent gate outputs for 12V/24V automotive applications. This 2ED2410-EM MOSFET gate driver offers protection for connecting/disconnecting loads or different power supplies. The integrated boost converter allows external MOSFETs to stay continuously on and also operational at cold cranking conditions down to 3V. The 2ED2410-EM features four integrated comparators and three analog measurement interfaces for protection purposes, allowing flexible and versatile solutions for various E/E architecture requirements. This 2ED2410-EM gate driver features one channel device with two high-side gate driver outputs, adjustable overcurrent/short-circuit protection, and two bidirectional high-side analog current sense interfaces. The 2ED2410-EM gate driver operates at 3V to 58V input voltage range, 4µs of turn on/off propagation delay, and -55°C to 150°C the storage temperature range. Typical application includes a connection/isolation switch between power supplies and supports dependable power supply and distribution.Features
- Two bidirectional high-side analog current sense interfaces with externally adjustable gain
- Channel control and diagnostic via pins
- Analog interface for external temperature measurement
- Gate Under Voltage Lock Out (UVLO)
- AEC-Q100 qualification
- One channel device with two high-side gate driver outputs
- Support back-to-back MOSFET topologies (common drain and common source)
- PRO-SIL™ ISO 26262-ready for supporting the integrator in the evaluation of hardware elements according to ISO 26262:2018 clause 8-13
- Adjustable overcurrent/short-circuit protection
- Versatile comparator to implement:
- Adjustable I-t wire protection
- Adjustable over/under voltage protection
- Adjustable over temperature protection
Specifications
- 3Ω pull-down, 50Ω pull-up for fast switch on/off
- 3V to 58V input voltage range
- 0.175A output current (source)
- 1.4A output current (sink)
- 4µs of turn on/off propagation delay
- -40°C to 150°C operating junction temperature range
- -55°C to 150°C the storage temperature range
Applications
- Fail operational power supply targeting high current applications
- Connection/isolation switch between power supplies
- Developed to support dependable power supply and distribution
- Power distribution box
- DC/DC output protection switch
Block Diagram
Pin Configuration Diagram
Additional Resources
Published: 2022-08-23
| Updated: 2023-11-03
