Infineon Technologies BTS3080EJ Demonstration Board

Infineon Technologies BTS3080EJ Demonstration Board evaluates the features and performance of the BTS3080EJ Highly Integrated Temperature Protected MOSFET (HITFET™) switches. This demonstration board features an integrated programmable push button and a diagnosis function. The board is capable of driving one 12V resistive, capacitive, or inductive load and is compatible with the Arduino/XMC1100 boot kit. Infineon Technologies BTS3080EJ Demonstration Board is RoHS compliant and operates within a supply voltage range of 6V to 31V.

Features

  • Evaluate features and performance of BTS3080EJ HITFET switches
  • Integrated programmable push button
  • Diagnosis function
  • Arduino/XMC1100 boot kit compatible
  • Can drive one 12V resistive, capacitive, or inductive load
  • 6V to 31V supply voltage range
  • RoHS compliant

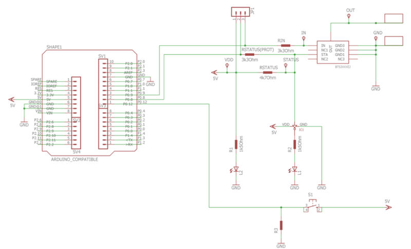
Schematic

Schematic - Infineon Technologies BTS3080EJ Demonstration Board
Published: 2019-12-10 | Updated: 2024-01-23