Infineon Technologies IR4321 & IR4322 Audio Amplifiers

Infineon IR4321 and IR4322 PowIRaudio™ devices integrate a PWM controller and digital audio MOSFETs to form high-performance Class D audio amplifiers. As a result of fully optimized MOSFETs co-packed with a dedicated controller IC, IR4321 and IR4322 amplifiers operate without mechanical heatsink attached in a typical music playback usage. High voltage ratings and noise immunity in the controller IC ensures reliable operation over various environmental conditions. These audio amplifiers are ideal for use in a variety of applications, including home theater systems, docking station audio systems, game consoles, and more.

Features

  • Integrated analog input Class D audio amplifier in a small 5mm x 6mm PQFN package (IR4321)
  • 2 channel integrated analog input Class D audio amplifier in a small 7mm x 7mm PQFN44 package (IR4322)
  • High peak music power output
  • No mechanical heatsink required
  • Split or single power supply
  • Differential or single-ended input
  • Overcurrent, overtemperature, and undervoltage protections with self-reset function
  • Start and stop click noise reduction
  • High noise immunity
  • Clip and fault reporting outputs (IR4322)
  • RoHS compliant

Applications

  • Home theater systems
  • Docking station audio systems
  • PC audio systems
  • Musical instruments
  • Karaoke amplifiers
  • Game consoles
  • Powered speaker systems
  • General-purpose audio power amplifiers

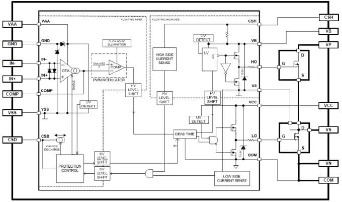
IR4321 Block Diagram

Block Diagram - Infineon Technologies IR4321 & IR4322 Audio Amplifiers

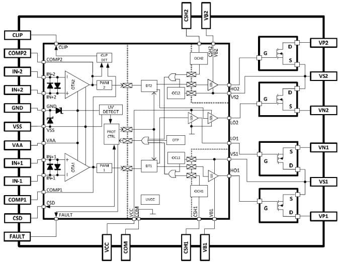
IR4322 Block Diagram

Block Diagram - Infineon Technologies IR4321 & IR4322 Audio Amplifiers
Published: 2013-07-24 | Updated: 2022-03-11