IXYS IX4340 MOSFET Drivers

IXYS IX4340 MOSFET Drivers are dual, high-current, and low side gate drivers with two outputs. Each of the two outputs is capable of sourcing and sinking 5A of peak current and offers up to 20V maximum voltage rating. IXYS IX4340 drivers feature typical 16ns for fast propagation delays and typical 7ns for fast rise and fall times. These drivers operate at a temperature ranging from -40°C to 125°C. The IX4340 drivers are ideal for high-current and high-frequency applications.

Features

  • Two independent drivers with each capable of sourcing and sinking 5A
  • CMOS and TTL compatible inputs
  • Independent enable for each driver
  • Undervoltage lockout circuitry
  • 5V to 20V supply voltage range
  • -40°C to +125°C extended operating temperature range
  • Fast propagation delays (16ns typical)
  • Fast rise and fall times (7ns typical)
  • ±4kV ESD rating

Applications

  • Switch-mode power supplies
  • DC-DC converters
  • Motor controllers
  • Power inverters

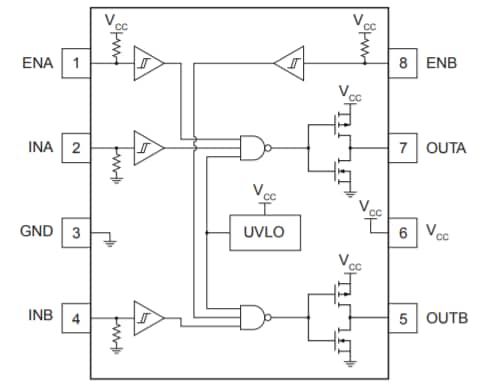
Block Diagram

Chart - IXYS IX4340 MOSFET Drivers
Published: 2017-05-09 | Updated: 2022-03-28