Luminus Devices CBM-50X-UV Ultraviolet Chip On Board LEDs

Luminus Devices CBM-50X-UV Ultraviolet Chip On Board LEDs are based on the latest chip technology that enables ultra-high power density operation up to 4A/mm2. These LEDs feature Mosaic array UV LEDs chipset with a 5.2mm2 emitting area and 1:1 aspect ratio. The CBM-50X-UV LEDs are specified for flux and peak wavelength at a drive current of 2A with a 20ms pulse at 25°C. These ultraviolet LEDs are available in a wide range of 365nm to 410nm UVA wavelengths. The CBM-50X-UV LEDs are suitable for 3D printing and additive manufacturing, medical and scientific instrumentation, machine vision, and fiber-coupled illumination.

Features

  • Mosaic array UV LED chipset with 5.2mm2 emitting area and 1:1 aspect ratio
  • The latest chip technology enables ultra-high power density operation up to 4A/mm2
  • Available in a wide range of 365nm to 410nm UVA wavelengths
  • Isolated, high thermal conductivity isolated copper core board package
  • Low-profile window for efficient coupling into small-etendue systems
  • Environmentally friendly:
    • REACH, RoHS, and halogen compliant

Applications

  • 3D printing and additive manufacturing
  • Machine vision
  • Fiber-coupled illumination
  • Medical and scientific instrumentation

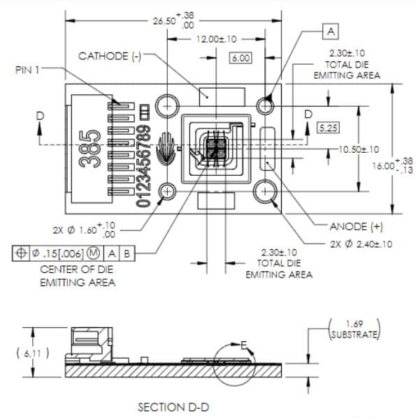
Mechanical Dimensions (mm)

Mechanical Drawing - Luminus Devices CBM-50X-UV Ultraviolet Chip On Board LEDs
Published: 2022-06-20 | Updated: 2022-06-27