M5Stack PPS Module 13.2

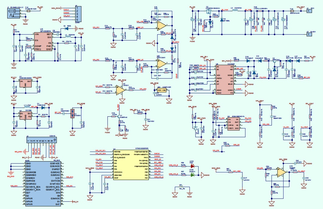
M5Stack PPS Module 13.2 is a programmable power supply utilizing STEP-DOWN buck technology, supporting a wide DC input range of 9V to 36V. The M5Stack PPS Module features an STM32 control processor and AD8418 high-resolution current amplifier, achieving a rated output power of 100W (peak 150W). The output ranges from 0.530V/05A with a read-back accuracy of ±30mV/5mA. The device includes isolation chips for electrical isolation and standard 4mm banana plug sockets and is calibrated for full-range accuracy. A compatible DC power adapter is required.

Features

  • 9VDC to 36VDC wide voltage input, output 0.5V to 30V/0 to 5A
  • High 100W precision-rated output power (peak 150W)
  • With electrical isolation, safety performance
  • Standard 4mm banana socket, 19mm positive and negative electrode spacing
  • Works with Core/Core2/CoreS3 series hosts

Applications

  • Scientific research experiments
  • Automation in industry
  • Embedded system development
  • Adjustable power supply DIY project

Videos

Schematic

M5Stack PPS Module 13.2
Published: 2024-05-10 | Updated: 2024-05-17