MACOM MAAL-011204 Low-Noise Amplifier

MACOM MAAL-011204 Low-Noise Amplifier (LNA) is a low-input impedance, high-dynamic range, and single-stage amplifier. This low-noise amplifier features an integrated active bias circuit that allows direct connection to 3V or 5V bias. The MAAL-011204 low-noise amplifier also features 26dB gain, 0.6dB noise figure, 50Ω output impedance, 30mA to 80mA adjustable current, and 2.5Ω input resistance. This low-noise amplifier exhibits excellent low input impedance, low noise performance, and high gain characteristics suitable for 1.5T and 3.0T applications. The MAAL-011204 low-noise amplifier is available in a 4mm non-magnetic package and is used in MRI applications.

Features

  • 26dB gain
  • 0.6dB noise figure
  • 50Ω output impedance
  • 30mA to 80mA adjustable current
  • 2.5Ω input resistance
  • Low input impedance
  • Low noise performance

MAAL-011204 Functional Block Diagram

Block Diagram - MACOM MAAL-011204 Low-Noise Amplifier

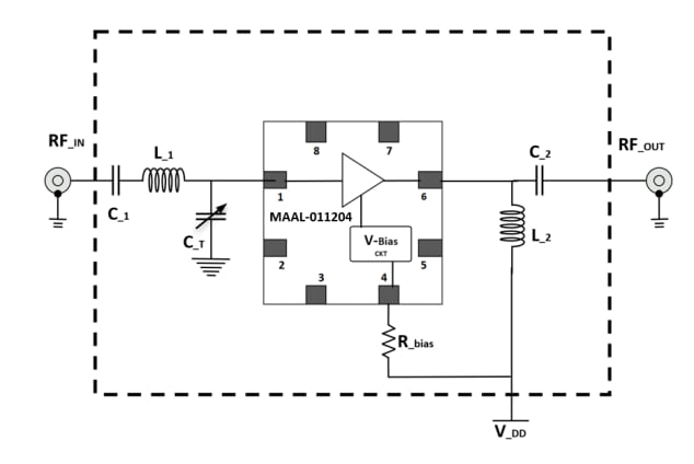
Application Schematic Diagram

MACOM MAAL-011204 Low-Noise Amplifier

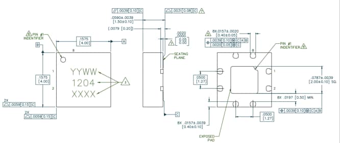
Mechanical Drawing (mm)

Mechanical Drawing - MACOM MAAL-011204 Low-Noise Amplifier
Published: 2022-12-28 | Updated: 2023-01-12