MaxLinear XR3072X & XR3078X RS-485/RS-422 Transceivers
MaxLinear XR3072X and XR3078X Low Power 18V Tolerant RS-485/RS-422 Transceivers are a family of high-performance RS-485/422 devices that improve performance in noisy industrial environments and increase tolerance to system faults. The analog bus pins withstand direct shorts up to ±18V and are protected against ESD events up to ±15kV. The differential high output driver delivers 10% higher SNR than standard RS-485/422 devices, allowing additional noise margin or extended cable lengths. Full fail-safe circuitry on the receivers guarantee logic-high receiver output when the receiver inputs are open, shorted, or undriven.With a minimum 96kΩ (1/8 unit load) receiver input impedance, MaxLinear XR3072X and XR3078X allow up to 256 devices on the bus while preserving the full signal margin. Short circuit detection as well as thermal shutdown protect the drivers and maintain high impedance in shutdown or when powered off. The XR3072X and XR3078X Drivers are slew limited for reduced EMI and error-free communication over long or unterminated data cables. The transceivers draw less than 600μA from a +3.3V supply, and typically only 300μA when idling with the receivers active.
Features
- 10% higher SNR (Signal-to-Noise Ratio) compared to other RS-485 devices (1.65V vs. 1.5V)
- ±18V fault tolerance on analog bus pins
- Robust ESD (ElectroStatic Discharge) protection:
- ±15kV IEC 61000-4-2 air gap discharge
- ± 8kV IEC 61000-4-2 contact discharge
- ±15kV human body model
- ± 4kV human body model on non-bus pins
- +3.0V to +3.6V operation (3.3V ± 10%)
- 300μA idle current, 1nA shutdown current
- Enhanced receiver fail-safe protection for open, shorted, or terminated but idle data lines
- Hot-swap glitch protection on DE and RE pins
- Driver short circuit current limit and thermal shutdown for overload protection
- 1/8th unit load allows up to 256 devices on bus
- Industry standard 8 and 14 NSOIC packages
Applications
- Motor control
- Security systems
- Building and process automation
- Remote utility meter reading
- Energy monitoring and control
- Long or unterminated transmission lines
Comparison Chart
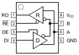
Half Duplex Block Diagram
Published: 2013-12-19
| Updated: 2022-03-11
