MaxLinear MxL8310x/MxL8311x Half-Duplex RS-485 Transceivers

MaxLinear MxL8310x/MxL8311x Half-Duplex RS-485 Transceivers are ±15kV ESD-protected, 1/8 load, failsafe devices that support differential communication in harsh industrial environments. The bus pins tolerate IEC electrical fast transients (EFT) and electrostatic discharge (ESD) while reducing EMI transmission with slew-controlled drivers. High receiver input impedance allows 256 transceivers to share a common data bus while maintaining signal margin without excessive loading or using expensive repeaters. The MxL8310x devices operate at 5V power supply, and the MxL8311x devices operate from 3.3V to 5V.

Enhanced failsafe circuitry ensures receivers provide the expected output when the bus is shorted or left open under terminated and unterminated conditions. Drivers include built-in short-circuit protection and thermal-overload shutdown to protect against excessive power dissipation from bus contention. The low-power shutdown mode extends the life of batteries in applications such as industrial notebooks, sensors, and solar-powered applications. At the same time, hot-swap ensures a deterministic logic state upon power-up.

Features

  • Advanced receiver-failsafe protection for open, shorted, or terminated lines
  • Differential output exceeds 2.1V for PROFIBUS compatibility with a 5V supply
  • 1/8 unit load (256 bus nodes)
  • Hot Swap glitch protection RE and DE
  • Thermal shutdown (50nA current) protects against driver contention
  • 250kbps and 500kbps slew limited speeds
  • 256x multi-drop nodes
  • Small form factor NSOIC package
  • -8V to 13V fault tolerance range
  • Extended temperature range from -40°C to +125°C
  • Low power shutdown mode (<1µA typical)
  • Robust system protection
    • ±2kV EFT (IEC 61000-4-4)
    • ±8kV ESD Contact (IEC 61000-4-2)
    • ±15kV ESD HBM
  • 3.3V or 5.5V nominal supply voltage options
  • 60mA output current
  • 1.5mA operating supply current
  • Halogen-free and RoHS compliant

Applications

  • Industrial command and control
  • Utility meters
  • EV charging
  • Building automation
  • Instrumentation and sensors

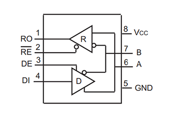
Typical Schematic

Schematic - MaxLinear MxL8310x/MxL8311x Half-Duplex RS-485 Transceivers
Published: 2023-06-14 | Updated: 2023-06-15