MEAN WELL BIC-2200 AC-DC Bidirectional Power Supplies

MEAN WELL BIC-2200 AC-DC Bidirectional Power Supplies are 2.2KW, fully digital power supplies with energy recycle function in a 1U low profile design. These devices are designed to control the power transferred from the AC grid to the DC and the DC to the AC grid for energy recycling. Built-in functions include active current sharing, remote ON/OFF control, and optional CANBus protocol. The BIC-2200 AC-DC Bidirectional Power Supplies from MEAN WELL provide design flexibility for battery formation and test equipment, V2G (vehicle-to-grid) systems, charging stations, laser systems, and kinetic recovery systems.

Features

  • 1U low-profile design
  • Full digital design with 93% conversion efficiency for both AC-DC and DC-AC conversion
  • Ultra-fast switching time between AC-DC and DC-AC of 1ms
  • CB/UL/TUV CB/TUV/UL 62368-1 certified, design refers to IEC 62477 regulation
  • Active current sharing up to 11,000W (4+1)
  • Force charging and discharging mode with CANBus command (optional)
  • Protections
    • Anti-islanding
    • AC fail
    • DC OVP
    • OLP
    • OCP
    • OTP
  • <3% low THDi in both conversion mode
  • 5-year warranty

Applications

  • Battery cell formation and grading
  • V2G (vehicle-to-grid) systems
  • Marine battery charger modules
  • Electric scooter or vehicle charging station
  • Kinetic energy recovery systems
  • Electrolysis systems
  • Wastewater treatment systems

Specifications

  • AC to DC direction
    • Output
      • 12VDC to 96VDC voltage range
      • 22.5A to 180A rated current range
      • 2160W rated power
      • 160mVp-p to 480mVp-p maximum ripple and noise range
      • ±1.0% voltage tolerance
      • ±0.5% line/load regulation
    • Input
      • 180VAC to 264VAC voltage range
      • 47Hz to 63Hz frequency range
      • 90% to 93% efficiency
      • 11A/230VAC typical AC current
      • 35A/230VAC typical inrush current, cold start
      • <2mA/230VAC leakage current
  • 330mm x 140mm x 41mm in dimension (LxWxH)
  • DC to AC direction
    • Input
      • 1800W rated input power
      • 12V to 112V full power voltage range
      • 10VDC to 112VDC voltage range 
      • 18.75A to 150A maximum input current
    • Output
      • 180VAC to 264VAC voltage range
      • 47Hz to 63Hz frequency range
      • 7.5A/230VAC typical AC current
      • 90.5% to 93% efficiency
  • Temperature ranges
    • -30°C to +70°C operating
    • -40°C to +85°C storage
  • Relative humidity, non-condensing
    • 20% to 90% operating
    • 10% to 95% storage

Videos

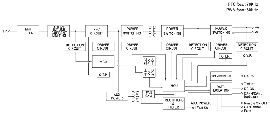
Block Diagram

Block Diagram - MEAN WELL BIC-2200 AC-DC Bidirectional Power Supplies
View Results ( 4 ) Page
Part Number Datasheet Description
BIC-2200-24 BIC-2200-24 Datasheet Power Supplies - Chassis Mount A/D +24V90A ; D/A +24V75A
BIC-2200-48 BIC-2200-48 Datasheet Power Supplies - Chassis Mount A/D +48V45A ; D/A +48V37.5A
BIC-2200-96 BIC-2200-96 Datasheet Power Supplies - Chassis Mount A/D +96V22.5A ; D/A +96V18.5A
BIC-2200-12 BIC-2200-12 Datasheet Power Supplies - Chassis Mount A/D +12V180A ; D/A +12V150A
Published: 2021-08-02 | Updated: 2025-08-12