MEAN WELL XTR Ultra Slim Industrial DIN Rail Power Supplies

MEAN WELL XTR Ultra Slim Industrial DIN Rail Power Supplies are three-phase, compact, and high-performance power supplies with built-in DC OK relay contact. These power supplies offer 93% maximum efficiency and constant currency with up to 150% peak power. The XTR power supplies feature <2.5W, no load power dissipation, <10A ultra-low inrush current, a fanless design, and a narrow 48mm casing. These power supplies are available in 240W, 480W, and 960W power with three terminal options. The XTR power supplies offer short-circuit, overload, overvoltage, and overtemperature protections. These power supplies are used in applications such as factory automation, industrial control systems, semiconductor fabrication equipment, and electromechanical apparatus.

Features

  • <2.5W no load power dissipation
  • 3-phase 320VAC to 600VAC wide input voltage range, 600VAC to 700VAC surge input for 1 second
  • 48mm ultra-slim width
  • Up to 93% high efficiency
  • 150% peak power capability
  • Built-in constant current limiting circuit
  • Fanless design
  • Built-in DC OK relay contact
  • <10A ultra-low inrush current
  • Up to 5000m operating altitude
  • -40°C to 85°C operating temperature range
  • Over-voltage, over-temperature, overload, and short circuit protection
  • Global certificates in multi-fields (ITE 62368-1, industrial 61558-1/-2-16, 61010) and marine DNV, SEMI47, and C1D2 HazLoc approved

Applications

  • Factory automation
  • Industrial control systems
  • Semiconductor fabrication equipment
  • Electro-mechanical apparatus

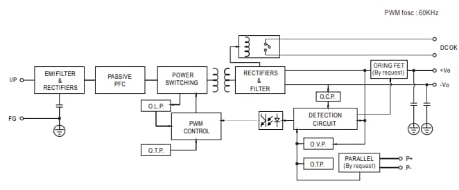
Block Diagram

Block Diagram - MEAN WELL XTR Ultra Slim Industrial DIN Rail Power Supplies
Chart - MEAN WELL XTR Ultra Slim Industrial DIN Rail Power Supplies
MEAN WELL XTR Ultra Slim Industrial DIN Rail Power Supplies
MEAN WELL XTR Ultra Slim Industrial DIN Rail Power Supplies

Videos

Published: 2025-05-01 | Updated: 2025-10-09