Mikroe MIKROE-2883 Cap Extend 3 Click

Mikroe MIKROE-2883 Cap Extend 3 Click features four capacitive sensor pads that can sense touch through a variety of different materials. This click board uses metal over capacitive technology and can sense touch through plastic, wood, or even metal. This Mikroe click board also features a connector used for connecting external sensors. This click board allows designers to implement human-machine interfaces and integrate touch-sensitive buttons into various kinds of front panels.

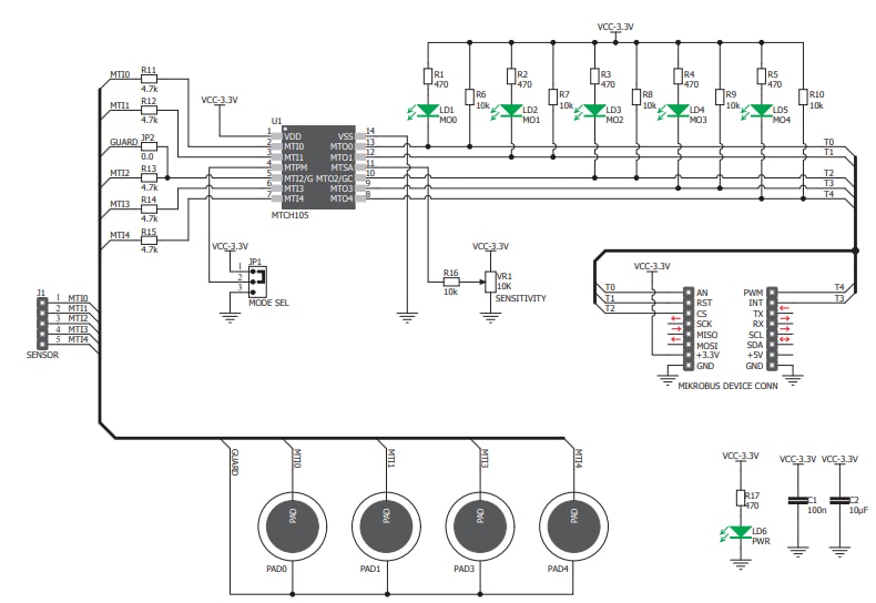
The MIKROE-2883 click features MTCH105 proximity/touch controller with active guarding capability. The MTCH105 IC uses a sophisticated scan optimization algorithm to actively attenuate noise from the signal. The MIKROE-2883 click features multi-stage active noise suppression filtering and automatic environmental compensation. This click provides a high Signal-to-Noise Ratio (SNR) and offers support for a wide range of sensor pad shapes and sizes. This click board can be used as a replacement for buttons or switches, light switches, office equipment and toys, and display and keypad backlight activation.

Features

  • Onboard MTCH105 5-channel proximity/touch controller
  • Multi-stage active low noise suppression filtering
  • Automatic environment compensation
  • High signal-to-noise ratio (SNR)
  • Senses touch through different materials and metal panels
  • GPIO interfaces
  • 3.3V input voltage
  • 57.15mm x 25.4mm dimensions

Applications

  • Replacement for buttons or switches
  • Light switches
  • Office equipment and toys
  • Displays
  • Keypad backlight activation

Top View

Block Diagram - Mikroe MIKROE-2883 Cap Extend 3 Click

Schematic

Schematic - Mikroe MIKROE-2883 Cap Extend 3 Click
Published: 2018-03-15 | Updated: 2022-08-17