Monolithic Power Systems (MPS) MP6540H Evaluation Boards

Monolithic Power Systems (MPS) MP6540H Evaluation Boards are 6A and 50V three-phase BLDC motor driver evaluation boards. These MPS evaluation boards operate from a supply voltage of up to 50V and integrate three half-bridges consisting of six N-channel Power MOSFETs. The rotor position information is provided by the Hall sensors assembled in the motor, and the driving control signals are generated by the external controller, such as MCU and FPGA. Typical applications include three-phase brushless DC motors and permanent magnet synchronous motors, power drills, and impact drivers.

Features

  • Low on-resistance
  • Integrated bidirectional current sense amplifiers
  • Support 100% duty cycle operation
  • OCP and OTP
  • Fault indication output

Specifications

  • 5.5V to 50V input voltage range
  • 6A maximum output current
  • 3.3V or 5V VREF voltage

Applications

  • 3-phase brushless DC motors and permanent magnet synchronous motors
  • Power drills
  • Impact drivers

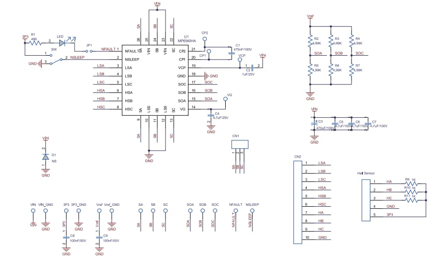
Schematic Diagram

Schematic - Monolithic Power Systems (MPS) MP6540H Evaluation Boards
Published: 2020-09-30 | Updated: 2024-08-16