Murata Electronics MRS Magnetic Sensors

Murata Electronics MRS Magnetic Sensors offer a 3.5V to 30V supply voltage range, 10KΩ load resistance, and -40°C to +80°C or +85°C temperature range. The Murata MRSS29DR-001 sensor provides a 1mA current consumption, while the MRSS29E sensor has a maximum 1.5µA current consumption rating.

Specifications

  • Current Consumption
    • 1mA for MRSS29DR-001 sensor
    • 1.5µA maximum rating for MRSS29E sensor
  • Operating Temperature Range
    • -40°C to +80°C for MRSS29DR-001 sensor
    • -40°C to +85°C for MRSS29E sensor
  • 3.5V to 30V supply voltage rating
  • 0.3V to 0.5V low level output voltage
  • 11V to 11.4V high level output voltage

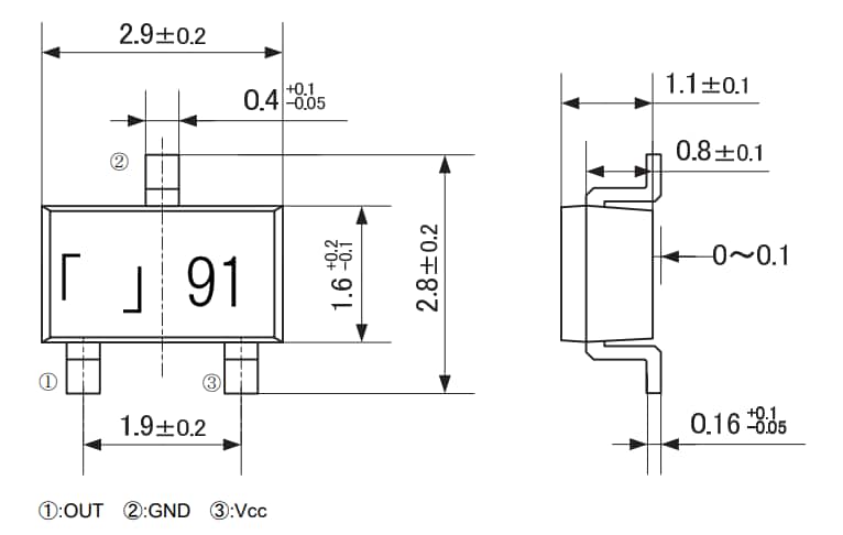
MRSS29DR-001 Dimensions & Schematics

Murata Electronics MRS Magnetic Sensors

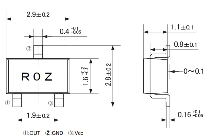
MRSS29E Dimensions & Schematics

Murata Electronics MRS Magnetic Sensors
Published: 2021-03-18 | Updated: 2022-03-11