Nisshinbo NJW4142 MOSFET Drive Switching Regulator IC
Nisshinbo NJW4142 MOSFET Drive Switching Regulator IC is designed for boost/fly-back converters and operates within the 2.5V to 40V operating voltage range. The internal Nch MOSFET driver circuit delivers high-efficiency driving, which makes this device ideal for high-output current applications. This switching voltage regulator IC offers current mode control, external clock synchronization, soft start (fixed 20ms typical), adjustable startup voltage, and PWM control. The NJW4142 switching regulator IC also offers over-voltage protection, over-current protection (Hiccup), Undervoltage Lockout (UVLO), thermal shutdown, and standby function.The NJW4142 switching regulator IC features a -40°C to 125°C operating temperature range and a 50kHz to 1MHz oscillating frequency range. This switching voltage regulator IC is AEC-Q100 grade 1 qualified and comes in an MSOP10 (VSP10) package. Typical applications include automotive, industrial instruments, and boost converters for small to middle-range power supplies.
Features
- Current mode control
- External clock synchronization
- Over-voltage protection
- Over-current protection (Hiccup)
- Undervoltage Lockout (UVLO)
- Thermal shutdown
- Standby function
- Adjustable startup voltage
- PWM control
Specifications
- 20ms typical fixed soft start
- 2.5V to 40V operating voltage range
- 2.5V to -V output voltage range
- 10V typical Nch MOSFET drive voltage
- 50kHz to 1MHz oscillating frequency range
- -40°C to 125°C operating temperature range
- MSOP10 (VSP10) package
Applications
- Automotive
- Industrial instruments
- Boost converters for small to middle-range power supplies
Block Diagram
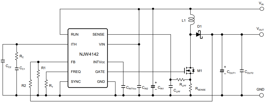
Typical Application Diagram
Package Dimensions
Published: 2023-10-24
| Updated: 2023-12-06
