NXP Semiconductors MC33GD3100 Advanced IGBT/SiC Gate Drivers

NXP Semiconductors MC33GD3100 Advanced IGBT/SiC Gate Drivers are single-channel gate drivers for insulated-gate bipolar transistors (IGBT) and Silicon Carbide (SiC) power devices. The NXP MC33GD3100 Gate Drivers feature advanced functional safety, control, and protection features, making it ideal for automotive and EV powertrain applications (fully AEC-Q100 grade 1 qualified). Integrated galvanic isolation and low on-resistance drive transistors provide high charging and discharging current, low dynamic saturation voltage, and rail-to-rail gate voltage control. Current and temperature sense minimizes IGBT stress during faults. Accurate and configurable under-voltage lockout (UVLO) protects while ensuring sufficient gate drive voltage headroom.

The MC33GD3100 autonomously manages severe faults and reports faults and status via the INTB pin and an SPI interface. It is capable of directly driving gates of most IGBTs and SiC MOSFETs. Self-test, control, and protection functions are included in the design of high-reliability systems (ASIL C/D).

Features

  • SPI interface for safety monitoring, programmability, and flexibility
  • Low propagation delay and minimal PWM distortion
  • Up to 8kV integrated galvanic signal isolation
  • Integrated gate drive power stage capable of 15A peak source and sink
  • Fully programmable Active Miller Clamp
  • Compatible with negative gate supply
  • Compatible with current sense and temperature sense IGBTs
  • Integrated soft shutdown, two-level turn-off, active clamp, and segmented drive for waveshaping
  • >100V/ns CMTI
  • >125kW compatible with 200V to 1700V IGBT/SiC, power range>7.8mm external creepage distance (CPG)
  • >40kHz operating frequency
  • 5.0V and 3.3V tolerant MCU interfaces available
  • -40°C to +125°C operating temperature range
  • 32-pin wide-body SOIC package type
  • Safety
    • Certified to ASIL D ISO26262 functional safety requirements for full diagnostics
    • Current, DESAT, and temperature sense inputs and ADC reporting for IGBT/SiC monitoring
    • Fast short-circuit protection, overcurrent protection, temperature warning, and shutdown
    • Interrupt pin for fast response to faults
    • Built-in self-check of all analog and digital circuits
    • Continuous watchdog of die-to-die communications
    • Deadtime enforcement
    • Over and undervoltage supervision of all power supplies on both low-/high-voltage sides
    • Fail-safe state management pins on both low-/high-voltage sides
    • VGE real-time cycle-by-cycle monitoring
  • Regulatory approvals
    • Reinforced Isolation per DIN V VDE V 0884-10
    • Withstand 2500VRMS (1 minute) isolation per UL 1577
    • CSA Component Acceptance Notice 5A
    • AEC-Q100 grade 1 automotive qualified

Applications

  • Battery management systems (BMS)
  • Electric vehicle traction inverters
  • Hybrid electric vehicles (HEVs)
  • Industrial motor drives

Block Diagram

Block Diagram - NXP Semiconductors MC33GD3100 Advanced IGBT/SiC Gate Drivers

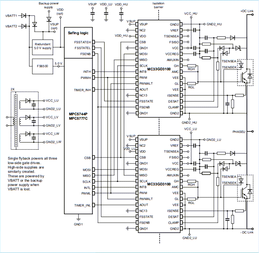
Typical Application Circuit

Application Circuit Diagram - NXP Semiconductors MC33GD3100 Advanced IGBT/SiC Gate Drivers
Published: 2020-01-16 | Updated: 2024-10-30