NXP Semiconductors PCA9959 LED Lighting Driver
NXP Semiconductors PCA9959 LED Lighting Driver is a daisy-chain SPI-compatible 4-wire, serial bus-controlled, 24-channel constant preset current LED driver. This driver is optimized for dimming and blinking 63mA red, green, blue, and amber (RGBA) LEDs. Each LED output offers a 6-bit resolution (64 steps) preset current configuration with an absolute accuracy of ±8%. The PCA9959 operates with a supply voltage range of 2.7V to 5.5V and includes an open short-load and overtemperature detection circuitry. The driver uses a four-wire read/write serial bus with a higher data clock frequency of up to 10MHz. Applications include RGBA LED drivers, LED status information, IR coding communication, LCD backlights, and keypad backlights for cell phones. NXP Semiconductors PCA9959 LED Lighting Driver is offered in a compact 5mm x 5mm x 0.85mm HVQFN40 package, with a -40°C to +85°C operating temperature range.Features
- 24 LED drivers with each output programmable at
- OFF
- ON
- 6-bit programmable LED brightness
- Programmable LED output delay to reduce EMI and surge currents
- Gradation control for all channels
- Each channel can be assigned to 1 of 4 gradation control groups
- 64 grids for gradation control for each channel
- Programmable grid duration time
- 4 preset current options for each channel during gradation control
- Open / short-load / overtemperature detection mode to detect individual LED errors
- 24 constant preset current output channels can sink up to 63mA and tolerate up to 5.5V when OFF
- Output preset current adjusted through an external resistor (REXT input)
- Output preset current accuracy
- ±8% absolute accuracy with 60mA output current
- ±6.5% absolute accuracy with 30mA output current
- Maximum ±5% channel-to-channel variation
- Maximum ±7% device-to-device variation
- Low standby preset current
- Active low output enable (OE) input pin
- 2.7V to 5.5V operating power supply voltage range (VDD)
- 5.5V tolerant inputs on non-LED pins
- -40°C to +85°C operating temperature range
- 4-wire serial bus interface with 10MHz data clock rate
- Internal power-on reset
- Latch-up performance exceeds 100mA per JESD 78, Class II
- ESD protection exceeds 2kV HBM per JESD22-A114
- 5mm x 5mm x 0.85mm HVQFN40 package
Applications
- RGB or RGBA LED drivers
- LED status Information
- Keypad backlights for cellular phones or handheld devices
- Fade-in and fade-out for breath light control
- LED display
- LCD backlights
- IR coding communications that utilize preprogrammed sequence/brightness
Videos
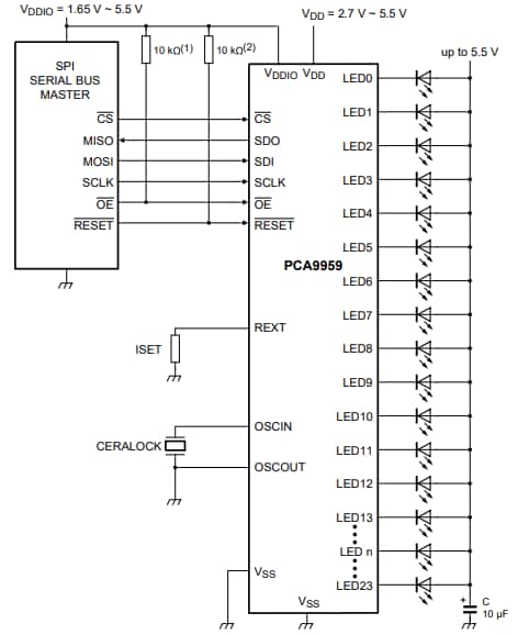
Block Diagram
Application Diagram
Additional Resources
Published: 2020-10-26
| Updated: 2024-09-04
