onsemi US2xA Surface Mount Rectifiers
onsemi US2xA Surface Mount Rectifiers feature 50A peak forward surge current and 1.0V to 1.7V maximum forward voltage. US2xA rectifiers offer fast switching with a reverse recovery time of 50ns to 75ns maximum. onsemi US2xA series operates in a -55°C to +150°C temperature range.Features
- Glass passivated chip junction
- High surge capacity
- Low forward voltage drop
- 50ns to 75ns maximum fast switching with reverse recovery time
- UL Flammability 94V-0 classification
- MSL 1 per J-STD-020
- RoHS compliant/green molding compound
- Industrial device qualified per AEC-Q101 standards
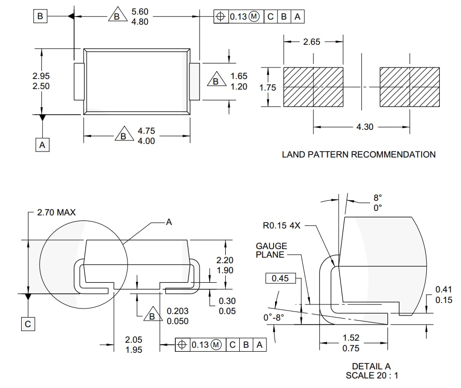
Dimensions
Published: 2016-03-30
| Updated: 2022-03-11
