onsemi NCV57000 Isolated High Current IGBT Gate Driver
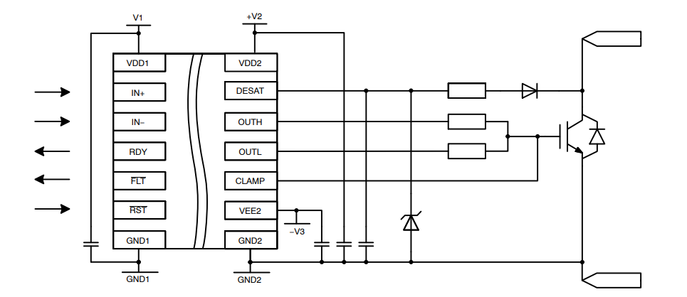
onsemi NCV57000 Isolated High Current IGBT Gate Driver with internal galvanic isolation is designed for high system efficiency and reliability in high-power applications. The NCV57000 has robust features, including complementary inputs, open drain FAULT and Ready outputs, an active Miller clamp, accurate UVLOs, DESAT protection, soft turn-off at DESAT, and separate high and low (OUTH and OUTL) driver outputs for system design convenience. It accommodates both 5V and 3.3V signals on the input side and a wide bias voltage range on the driver side, including negative voltage capability. The IGBT provides >5kVrms (UL1577 rating) galvanic isolation and >1200Viorm (working voltage) capabilities. The NCV57000 Isolated High Current IGBT Gate Driver is packaged to fulfill reinforced safety insulation requirements. It is offered in the wide-body SOIC-16 package with a guaranteed 8mm creepage distance between input and output.Features
- High current output (+4/-6A) at IGBT Miller plateau voltages
- Low output impedance for enhanced IGBT driving
- Short propagation delays with accurate matching
- Active Miller clamp to prevent spurious gate turn-on
- DESAT protection with programmable delay
- Negative voltage (down to -9V) capability for DESAT
- Soft turn-off during IGBT short circuit
- IGBT gate clamping during short circuit
- IGBT gate active pulldown
- Tight UVLO thresholds for bias flexibility
- Wide bias voltage range, including negative VEE2
- 3.3V to 5V input supply voltage
- Designed for AEC-Q100 certification
- 5000V galvanic isolation (to meet UL1577 requirements)
- 1200V working voltage (per VDE0884-11 requirements)
- High transient immunity
- High electromagnetic immunity
- Pb-free, Halogen-free, and RoHS-compliant
Applications
- Automotive power supplies
- HEV/EV powertrains
- OBC
- BSG
- EV chargers
- PTC heaters
Simplified Block Diagram
Simplified Application Schematics
Additional Resources
Published: 2019-04-30
| Updated: 2024-01-30
