Renesas Electronics ISL94202 Li-ion Battery Pack Monitor

Renesas / Intersil ISL94202 Li-ion Battery Pack Monitor is a charge/discharge path Li-ion battery monitor IC that supports 3 to 8 series connected cells. These ICs provide complete battery monitoring and pack control. Renesas ISL94202 provides automatic shutdown and recovery from out-of-bounds conditions and automatically controls pack cell balancing. This battery pack monitor is highly configurable as a stand-alone unit but can be used with an external microcontroller, which communicates to the IC through an I2C interface. 

Features

  • Eight cell voltage monitors support Li-ion CoO2, Li-ion Mn2O4, and Li-ion FePO4 chemistries
  • Stand-alone pack control - no microcontroller needed
  • Multiple voltage protection options (each programmable to 4.8V, 12-bit digital value)
  • Selectable overcurrent protection levels
  • Programmable detection/recovery times for overvoltage, undervoltage, overcurrent, and short-circuit conditions
  • Open battery connect detection
  • Integrated charge/discharge FET drive circuitry with built-in charge pump supports high-side N-channel FETs
  • Cell balancing uses external FETs with an internal state machine or external microcontroller
  • Configuration/calibration registers maintained in EEPROM
  • Enters low power states after periods of inactivity
  • Charge or discharge current detection resumes normal scan rates

Applications

  • Power tools
  • Battery back-up systems
  • Light electric vehicles
  • Portable equipment
  • Energy storage systems
  • Solar farms
  • Medical equipment
  • Hospital beds
  • Monitoring equipment
  • Ventilators

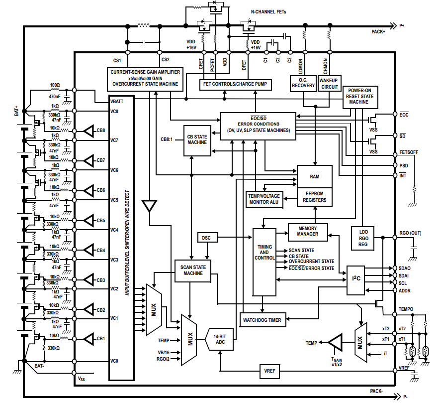
Block Diagram

Block Diagram - Renesas Electronics ISL94202 Li-ion Battery Pack Monitor

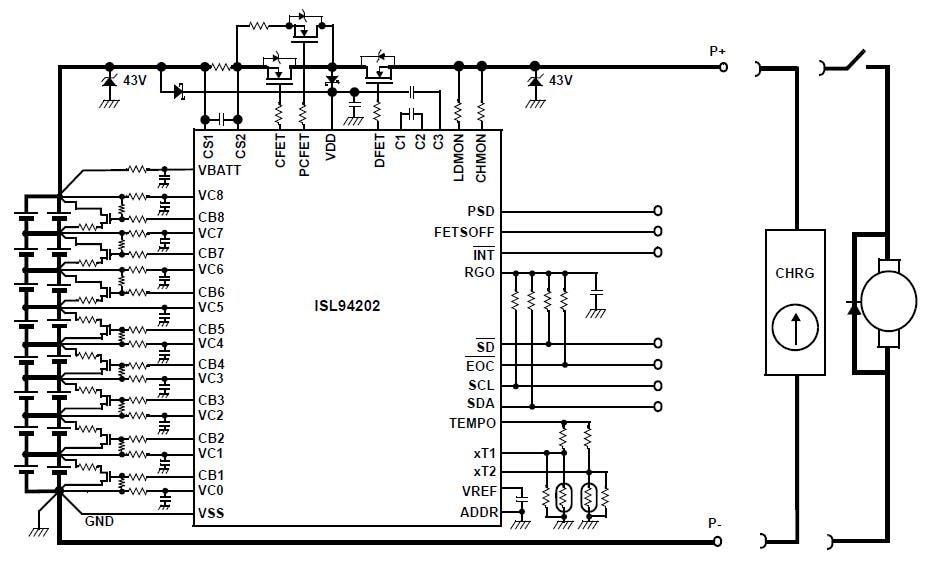
Application Circuit Diagram

Application Circuit Diagram - Renesas Electronics ISL94202 Li-ion Battery Pack Monitor
Published: 2019-03-08 | Updated: 2023-10-10