Renesas Electronics ISL81601EVAL1Z Evaluation Board

Renesas Electronics ISL81601EVAL1Z Evaluation Board is designed for high current applications. The current rating of the ISL81601EVAL1Z is limited by the FETs and inductors selected. The board features the ISL81601 60V high voltage synchronous buck-boost controller. The controller offers external soft-start, independent enable functions, and integrates UV/OV/OC/OT protection. A programmable switching frequency ranging from 100kHz to 600kHz helps to optimize inductor size while the strong gate driver delivers up to 20A for the buck-boost output. 

Features

  • 9V to 60V wide input range 
  • Bi-directional operation
  • High light-load efficiency in pulse-skipping DEM operation
  • Programmable soft-start
  • Optional DEM/PWM operation
  • Optional CC/HICCUP OCP protection
  • Supports pre-bias output with soft-start
  • PGOOD indicator
  • OVP, OTP, and UVP protection
  • Back biased from output to improve efficiency

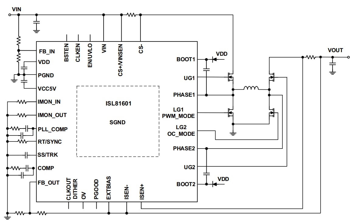
Block Diagram

Renesas Electronics ISL81601EVAL1Z Evaluation Board
Published: 2018-10-08 | Updated: 2023-02-10